EasyManua.ls Logo

Samsung MAX-810 - Page 34

Samsung MAX-810
72 pages
Print Icon
To Next Page IconTo Next Page
To Next Page IconTo Next Page
To Previous Page IconTo Previous Page
To Previous Page IconTo Previous Page
Loading...
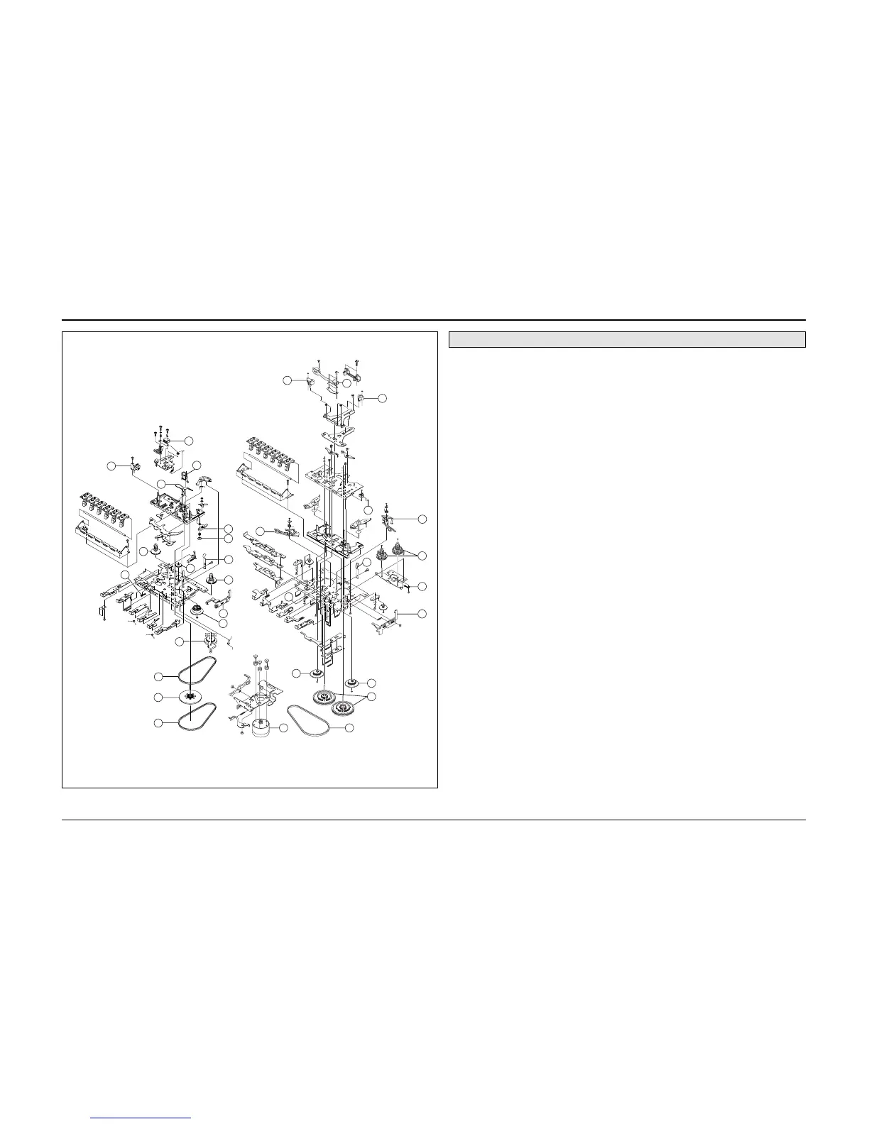
Exploded Views and Parts List
1
3
4
5
6
7
8
9
10
20
30
31
33
34
21
22
23
24
25
26
27
28
29
11
12
13
14
15
16
16
17
18
19
No. Code No. Description Specification Remarks
1
3
4
5
6
7
8
9
10
11
12
13
14
15
16
17
18
19
20
21
22
23
24
25
26
27
28
29
30
31
33
34
AH59-20004E
AH81-10001V
AH81-10005U
AH81-10005V
AH81-10005W
AH81-10005Z
AH81-10006K
AH81-10006B
AH81-10006C
AH81-10006E
AH81-10006F
AH81-10006G
AH81-10006H
AH81-10006J
AH81-10006M
AH81-10006N
AH81-10006R
AH81-10021T
AH81-10022E
AH81-10022H
AH81-10022T
AH81-10023J
AH81-10023K
AH81-10023L
AH81-10023M
AH81-10023N
AH81-10023P
AH81-10023Q
AH81-10023R
AH81-10023S
AH81-10023T
AH81-10023W
AH81-10023W
TAPE DECK ASS’Y
PAUSE LEVER
PAUSE LEVER
PAUSE STOPPER
LEAF SWITCH
PINCH ROLLER ARM ASS’Y
SENSOR
RF CLUCH ASS’Y
RF BLET
FLYWHEEL ASS’Y
CAM GEAR
FF GEAR
SUPPLY REEL ASS’Y
TAKE UP REEL ASS’Y
EJECT SLIDE LEVER
PACK SPRING
MAIN BELT
MOTOR
R/P HEAD
P/B HEAD
E-HEAD
AUTO LEVER(F)
AUTO LEVER(R)
EJECT SLIDE LEVER
TURN OVER SPRING
GEAR-T CAM(F)
T-CAM GEAR(R)
PINCH ROLLER(F)
PINCH ROLLER(R)
REEL ASS’Y
LEAF SW
FLY WHEEL ASS’Y
MAIN BELT
YN921ZSW-41
1821-01-15
1821-14-55
1921-14-11
MSW-1541T
1921-04-301
1921-05-06
1921-07-302
1921-07-03
1921-09-303
1921-26-02
1821-10-07
1921-05-304
1921-05-303
1921-13-02
1821-10-93
1821-12-173
EG530YD2B
MS15R-AA2N1
MR359-KF243
PHK380-MS16A
1851-20-01
1851-20-02
1851-17-03
1851-03-02
1851-05-03
1851-06-02
1851-09-501
1851-10-501
1851-11-501
MSW1290CV
1851-12-501
1821-17-03
Samsung Electronics 7-3
7-1 Cassette Deck View and Parts List (Option)

Table of Contents

Related product manuals