EasyManua.ls Logo

Samsung PG83R - Schematic Diagrams

Samsung PG83R
24 pages
Print Icon
To Next Page IconTo Next Page
To Next Page IconTo Next Page
To Previous Page IconTo Previous Page
To Previous Page IconTo Previous Page
Loading...

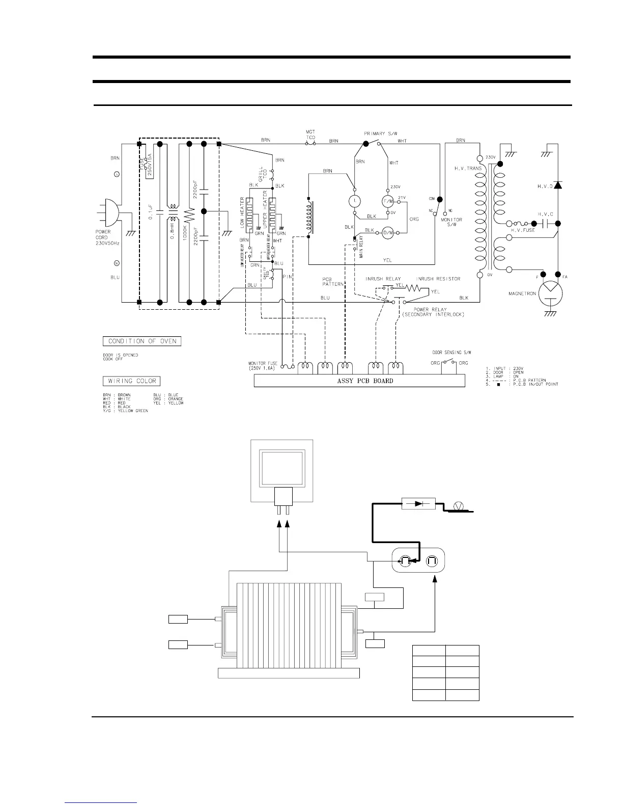
9. Schematic Diagrams
9-1 Schematic Diagrams
RED
RED
BLU
BLK
FA F
HIGH VOLTAGE
TRANSFORMER
H.V.FUSE
HIGH VOLTAGE CAPACITOR
HIGH VOLTAGE
DIODE
TO CHASSIS
MAGNETRON
SYMBOL
ORG
RED
RED
BRN
RED
BLK
COLOR
ORANG
BROWN
RED
BLACK