EasyManua.ls Logo

Samsung RL33EBMS - Operation Part; Buzzer Part

Samsung RL33EBMS
43 pages
Print Icon
To Next Page IconTo Next Page
To Next Page IconTo Next Page
To Previous Page IconTo Previous Page
To Previous Page IconTo Previous Page
Loading...
Buzzer
R801
4.7K
DC 12V
35
MICOM
19
5
12
1
5
7
9
RY72
RY71
NC
NO
Rc71
RY74
CON71
RED
3
6
4
13
11
14
38
6
5
4
+12V
Ic05
3
1
3
2
15
1
16
RY74
1
Rc72
Rc73
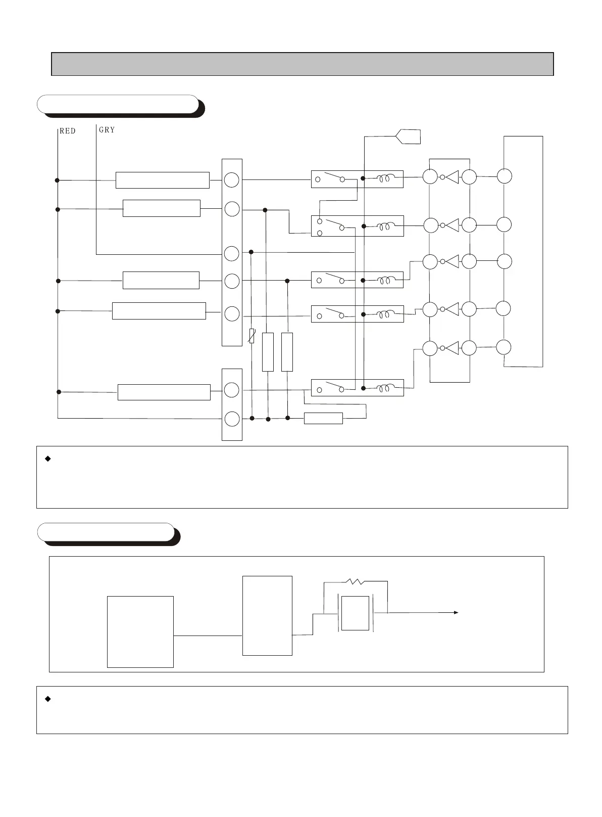
6-5 Operation Part
Core chip
Defrost Heater
Compressor
Fan motor
Inside lamp
Gear motor
If outputing the relevant work circuit signals into the core chip port, the driving chip (ULN2003) will
be activated. The DC 12V voltage will set the relay terminals to the position of On due to relay coils
reaction to activate the circuit.
6-6 Buzzer Part
The driving chip is initiated by the core chip generated CLOCK and impose the 12V volgtage on
the buzzer to make it voice a sound.

Table of Contents

Related product manuals