EasyManua.ls Logo

Samsung RL33EBMS - CIRCUIT DIAGRAM; Luxury Type

Samsung RL33EBMS
43 pages
Print Icon
To Next Page IconTo Next Page
To Next Page IconTo Next Page
To Previous Page IconTo Previous Page
To Previous Page IconTo Previous Page
Loading...
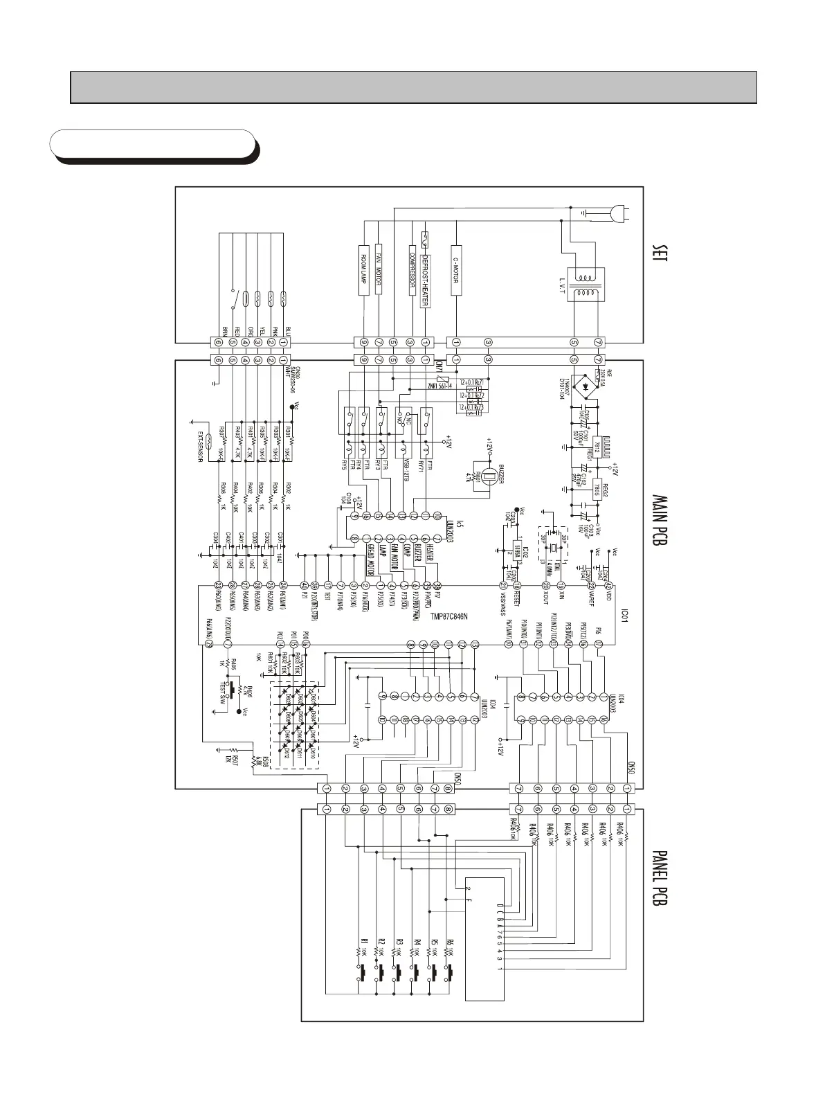
10. CIRCUIT DIAGRAM
10-1 Luxury Type
Freeze sensor
Evaporator sensor
Refrigerating sensor
Magnetic switch
Door switch
Loc
kin
g
Fa
st
fr
ee
ze
F
r
e
ez
e
t
em
p
er
at
ure
R
e
f
riger
a
t
in
g
t
e
m
per
a
t
ure
F
u
n
c
tion
s
e
le
c
tio
n
F
a
st
refrige
ra
t
io
n
41

Table of Contents

Related product manuals