EasyManua.ls Logo

Samsung RS265BBWP - Wiring Diagram (RS263 BB;RS265 LB)

Samsung RS265BBWP
102 pages
Print Icon
To Next Page IconTo Next Page
To Next Page IconTo Next Page
To Previous Page IconTo Previous Page
To Previous Page IconTo Previous Page
Loading...
81
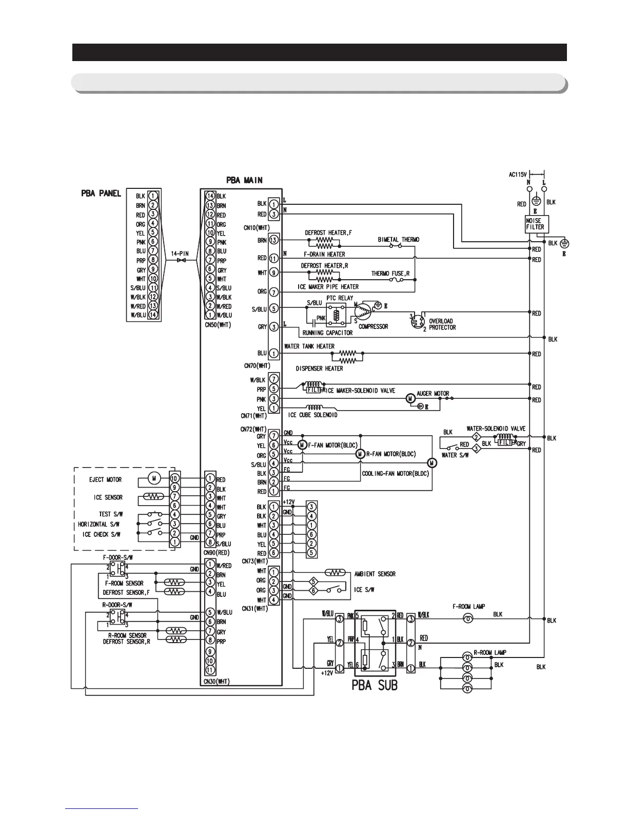
9 . WIRING DIAGRAM
9-2) RS263BB, RS265LB

Table of Contents

Related product manuals