EasyManua.ls Logo

Samsung RS265BBWP - Block Diagram and Wiring; System Block Diagram; Wiring Diagram (RS265 BB;RS267 BB;RS267 LB;RS269 LB)

Samsung RS265BBWP
102 pages
Print Icon
To Next Page IconTo Next Page
To Next Page IconTo Next Page
To Previous Page IconTo Previous Page
To Previous Page IconTo Previous Page
Loading...
80
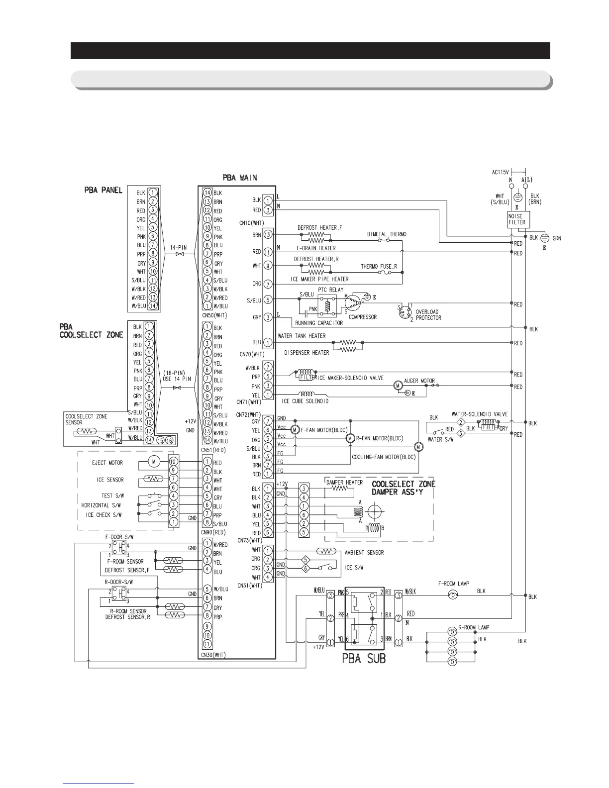
9 . WIRING DIAGRAM
9-1) RS265BB, RS267BB, RS267LB, RS269LB

Table of Contents

Related product manuals