EasyManua.ls Logo

Samsung RS265BBWP - 12-1) Source Power Circuit; 12-2) Oscillator Circuit; 12-3) Reset Circuit

Samsung RS265BBWP
102 pages
Print Icon
To Next Page IconTo Next Page
To Next Page IconTo Next Page
To Previous Page IconTo Previous Page
To Previous Page IconTo Previous Page
Loading...
86
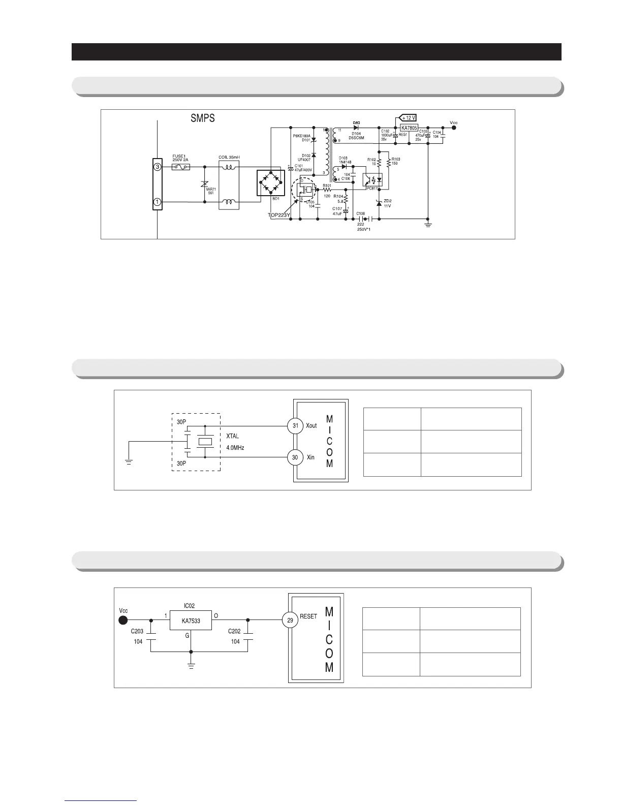
12. CIRCUIT DESCRIPTIONS
12-1) Source Power Circuit
12-2) Oscillator Circuit
12-3) Reset Circuit
Terminal Oscillation Frequency
Xin(#30)
Xout(#31)
4MHz
4MHz
This circuit shows SMPS(Switch Mode Power Supply) which converts AC input voltage (115V, 60Hz) to a high DC voltage
(170V). The input AC source power is converted to DC through a wave rectifier (BD1) and the converted DC power will
generate a constant waveform on the switching transformer using a high speed (100KHz) switching motion of TOP223Y.
The D104 will rectify the generated voltage and transform into a steady 12V DC source power used for the digital display
panel and relays. The regulator (KA7805) finally transforms into 5V DC source power for the control board and sensor’s
circuits.
Caution) Be careful to handle this circuit due to high voltages (AC115V, DC170V)
This is oscillator circuit to generate synchronous clocks used to calculate the time for the microprocessor operation.
Note) If the specification of resonator changes, micro-processor can not work properly.
The reset circuit is to initialize the values RAM other sectors of micro-processor. When the power is engaged initially,
the reset voltage becomes “Low,” and it keeps “High” in the normal operation.
Terminal Voltage
Vcc
RESET
DC 5V
DC 5V

Table of Contents

Related product manuals