EasyManua.ls Logo

Samsung RVXVHT100FE - Page 36

Samsung RVXVHT100FE
64 pages
To Next Page IconTo Next Page
To Next Page IconTo Next Page
To Previous Page IconTo Previous Page
To Previous Page IconTo Previous Page
Loading...
34
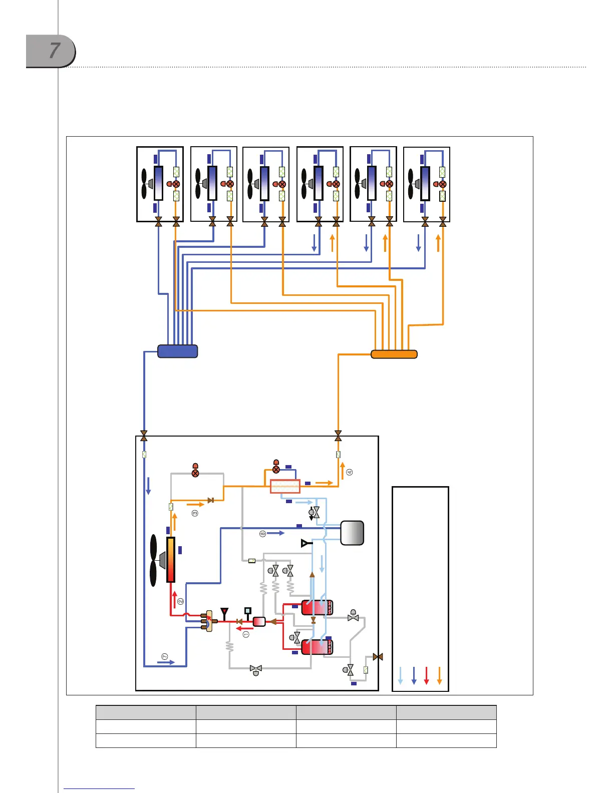
7
Cycle operation mode
4) Cooling operation
Unit Outdoor unit Indoor unit Outdoor unit
Cooling operation
Heating operation
Low temperature & pressure liquid
High temperature & pressure gas
High temperature & pressure liquid
Low temperature & pressure gas
s
H H
E
s
E
s
s
s
s
s
E
E
E
E
E
E
Cooling
Cooling
Cooling
Cooling
Cooling
Cooling

Other manuals for Samsung RVXVHT100FE

Related product manuals