EasyManua.ls Logo

Samsung SCL100 - Function-Menu

Samsung SCL100
144 pages
Print Icon
To Next Page IconTo Next Page
To Next Page IconTo Next Page
To Previous Page IconTo Previous Page
To Previous Page IconTo Previous Page
Loading...
Schematic Diagrams
11-10 Samsung Electronics
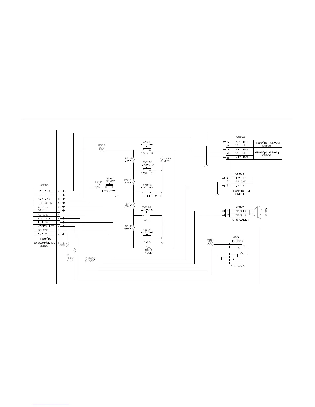
11-8 Function-MENU