EasyManua.ls Logo

Samsung SyncMaster 320TFT - Page 41

Samsung SyncMaster 320TFT
52 pages
Print Icon
To Next Page IconTo Next Page
To Next Page IconTo Next Page
To Previous Page IconTo Previous Page
To Previous Page IconTo Previous Page
Loading...
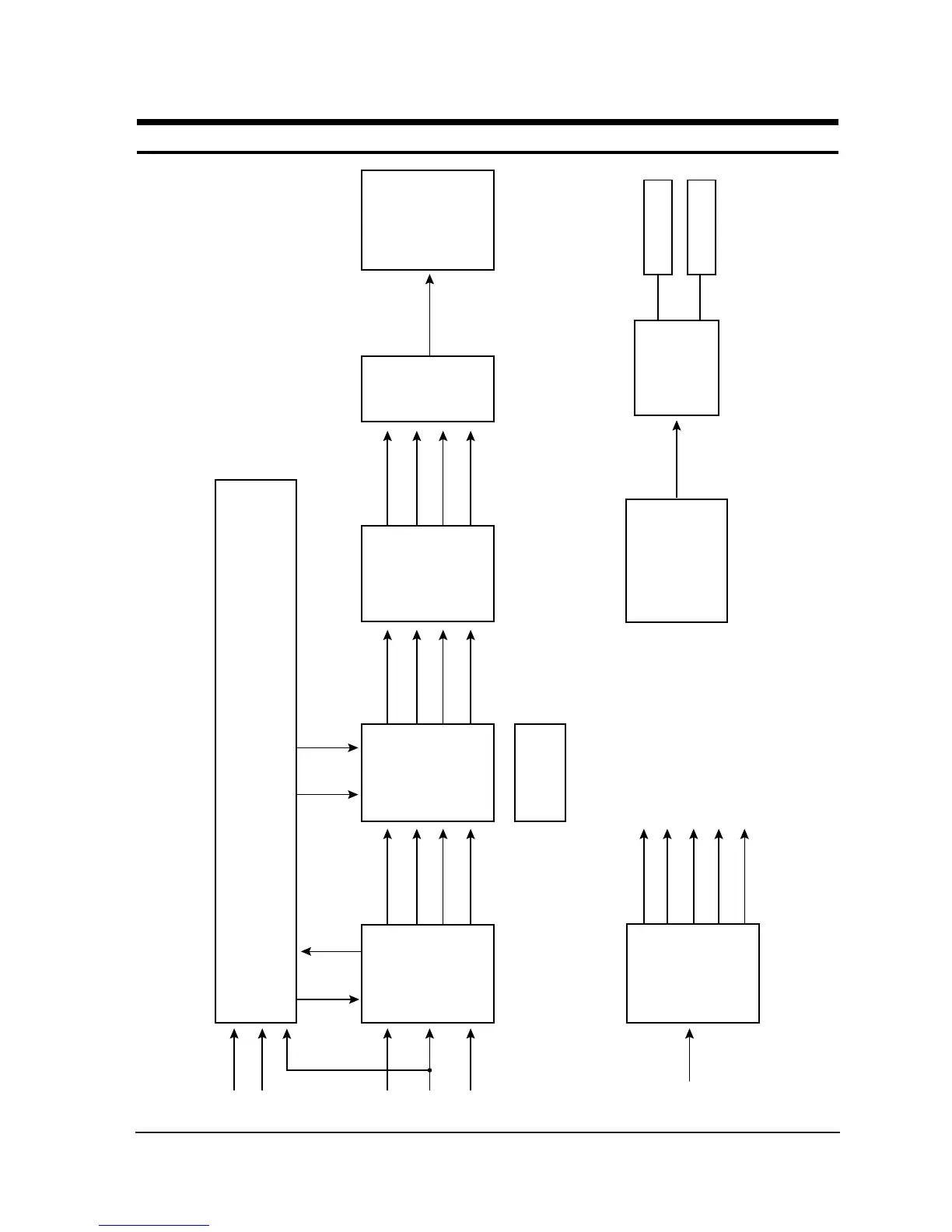
8 Block Diagram
SyncMaster 320TFT/520TFT 8-1
TDA8752 GMFC1 GMZ1
VOLUME
TONE CTRL.
LVDS
x 2
TFT
LCD
PANEL
MICOM and CONTROL PART
FRAME
MEMORY
H
V
R
G
B
12V
R
G
B
8
8
8
R
G
B
8
8
8
R
G
B
6
6
6
DOT_CLK
H/V/DOT_CLK
H/V/EN/
DOT_CLK
+5 V_S
+3.3 V_S
VCC
+5 V_PLL
+5 V_ADL
H DOT_CLK H V
LM4863
(Audio
Amp)
Speaker

Related product manuals