EasyManua.ls Logo

Samsung US07A6MA - Outdoor Assembly Control Diagrams

Samsung US07A6MA
47 pages
Print Icon
To Next Page IconTo Next Page
To Next Page IconTo Next Page
To Previous Page IconTo Previous Page
To Previous Page IconTo Previous Page
Loading...
29
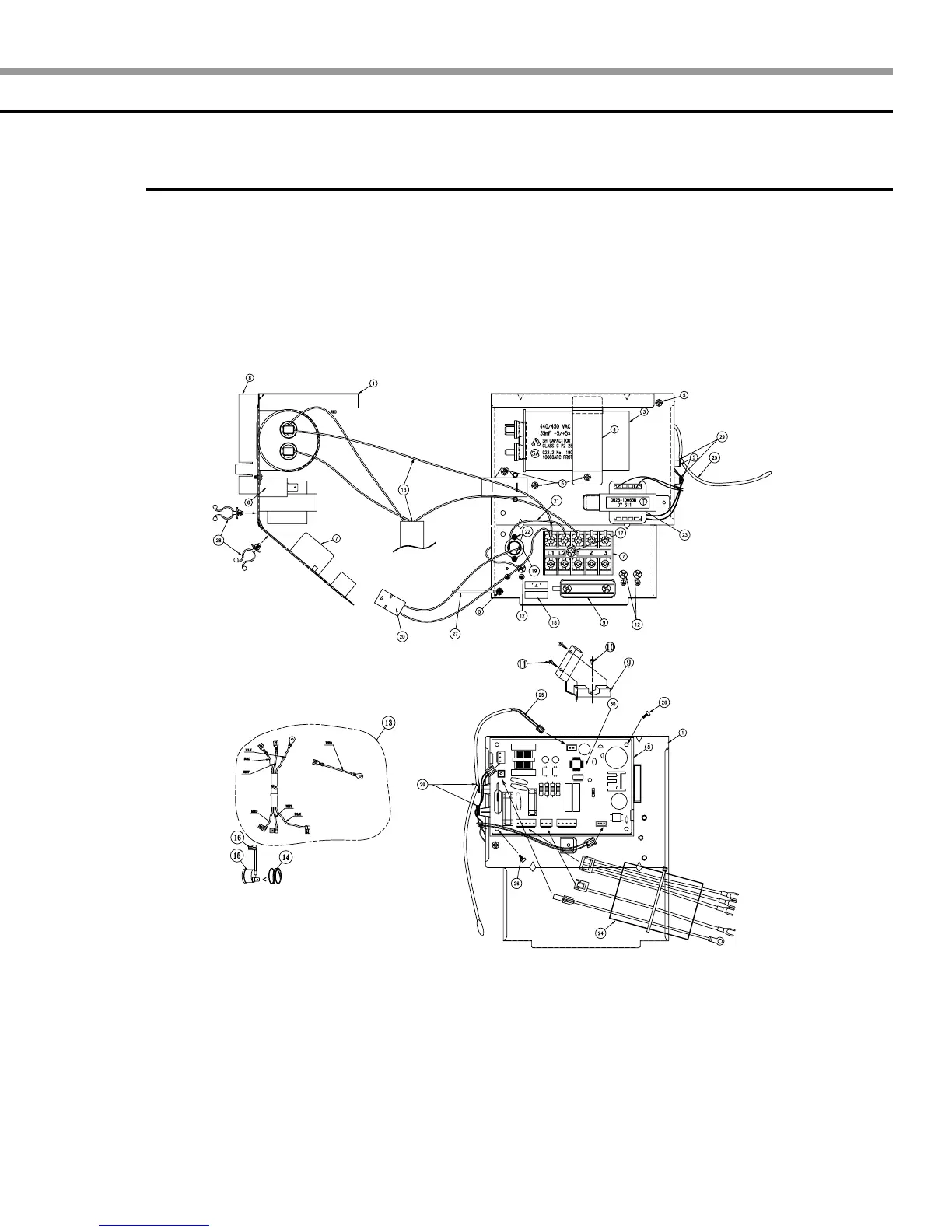
4 Assembly control out
US12AA(B)MCF
AS07AS(6)MA SM_E 1/7/04 6:07 PM Page 29

Other manuals for Samsung US07A6MA

Related product manuals