EasyManua.ls Logo

Samsung VP-L520 - Evf

Samsung VP-L520
147 pages
Print Icon
To Next Page IconTo Next Page
To Next Page IconTo Next Page
To Previous Page IconTo Previous Page
To Previous Page IconTo Previous Page
Loading...
9-15Samsung Electronics
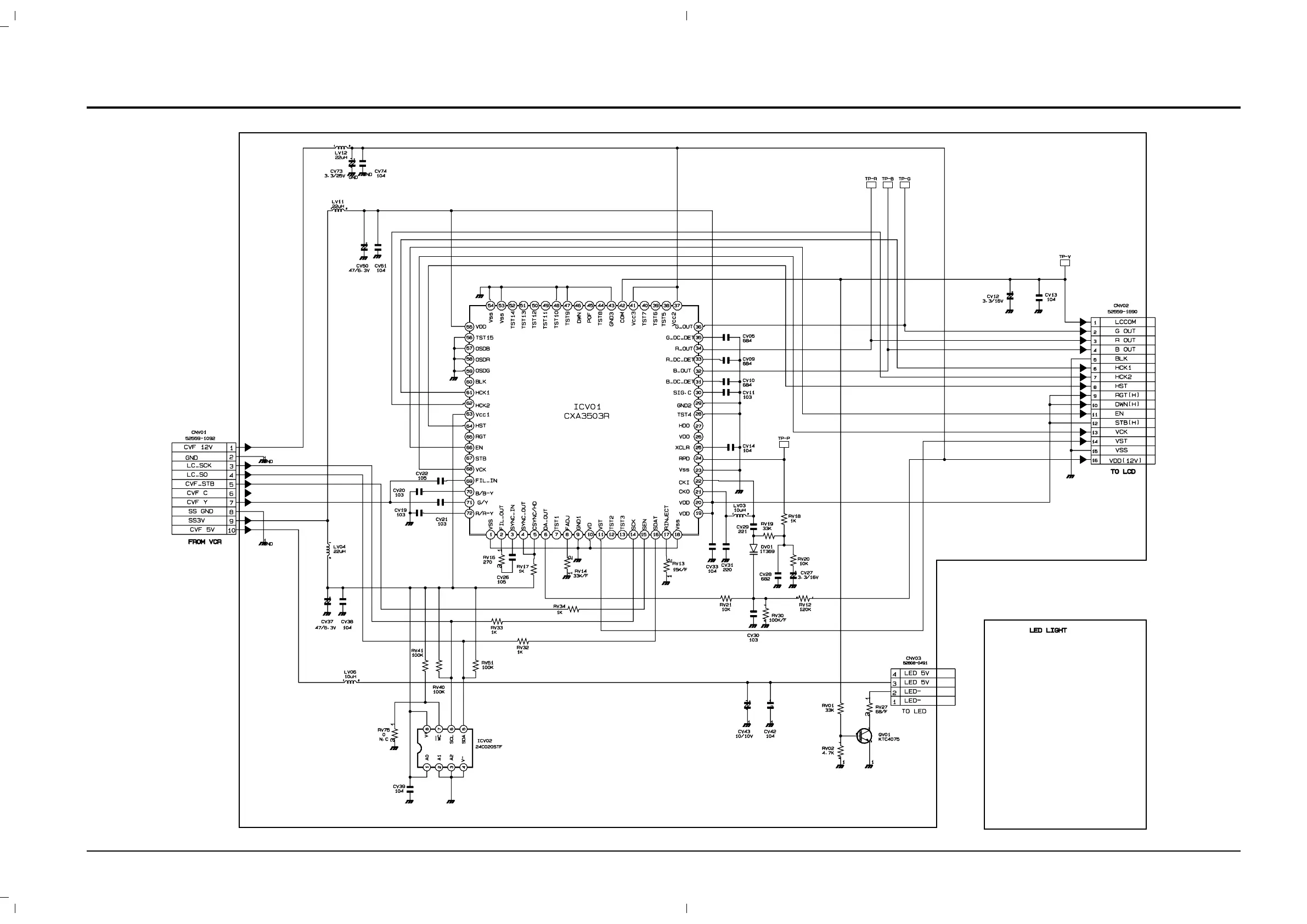
Schematic Diagrams
9-12 EVF