EasyManua.ls Logo

Samsung WF361BVBEWR - Page 56

Samsung WF361BVBEWR
73 pages
Print Icon
To Next Page IconTo Next Page
To Next Page IconTo Next Page
To Previous Page IconTo Previous Page
To Previous Page IconTo Previous Page
Loading...
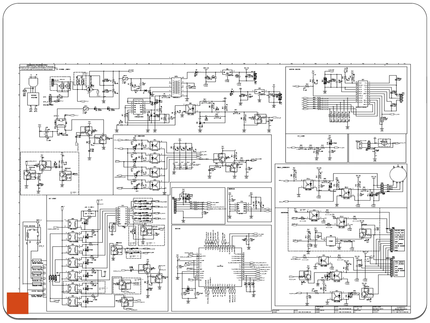
6-4. Schematic Diagram (Main PCB)
This Document can not be used without Samsungs authorization.
6.Reference Information
56

Related product manuals