EasyManua.ls Logo

Samsung WF361BVBEWR - Page 57

Samsung WF361BVBEWR
73 pages
Print Icon
To Next Page IconTo Next Page
To Next Page IconTo Next Page
To Previous Page IconTo Previous Page
To Previous Page IconTo Previous Page
Loading...
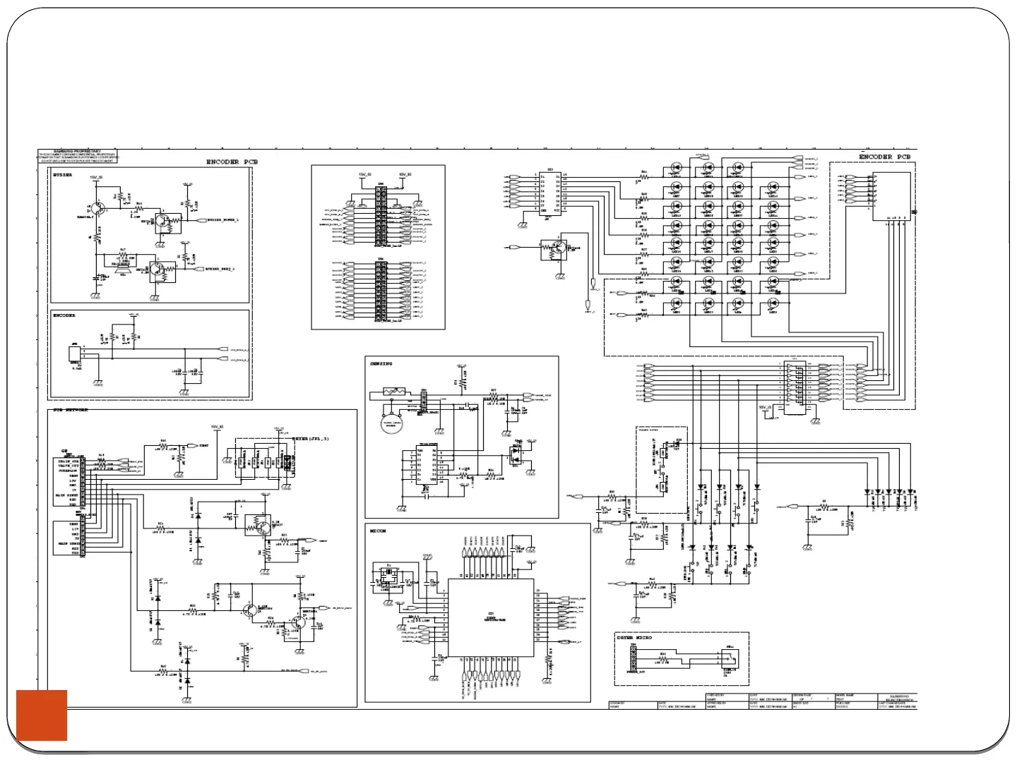
6-4. Schematic Diagram (Sub PCB)
This Document can not be used without Samsungs authorization.
6.Reference Information
57

Related product manuals