EasyManua.ls Logo

Sankyo STD-1700 - Page 21

Default Icon
35 pages
Print Icon
To Next Page IconTo Next Page
To Next Page IconTo Next Page
To Previous Page IconTo Previous Page
To Previous Page IconTo Previous Page
Loading...
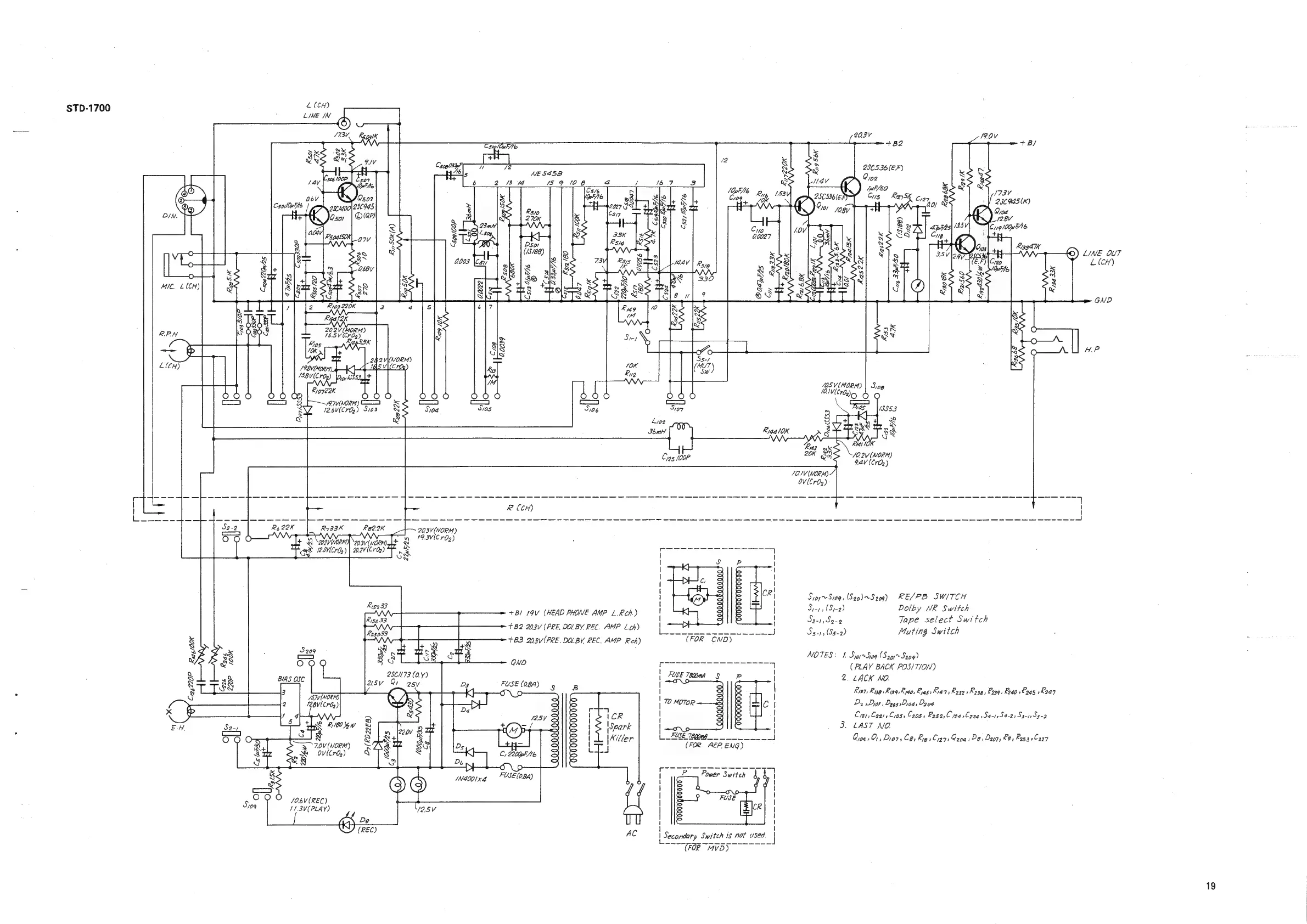
STD-1700
rT
<
(CH)
L/NE
/N
203V
17.0V
510M
MF/16
+82
+8/
25C5S6
(EF)
Qro2
MN
5S
|
,
2
24
159
_
10
8
%
had
4
*
fi
Ss
ares
oe
ie
ae
25C9I5(K)
+
+
K
:
°
,
“Ss
;
a
gs
f
Cyr
1090
ey
.
.
+
;
;
+1
3
OME
rc
been
Q
5
Va
bsreet
H
©)
LINE
QuT
6
<
,
.
L(CH)
im
:
;
:
Oo
Sa
MIC.
|
3
a
NE
SI5B
R262.2K
R34
33K
GND
lowe
202V(MORM.
RPH
BVO)
>
KpBak
—_—
Aisa
47K
3668
kiz5/0K
O
Li
ie
SOSV(MORM)
|
S,
(AM
CrOp)-y
}b
is
A7VMORM)
K——)
—)
Neon
12.6V(Cr0z,)
Sios
S53
3
4
«
8Vn
aN
pees
Beer
RaglOk
Sa
iat
/OK
10
2V
(WORM)
94V
(CrO2)
JOlV
(WORM)
/
OV
(Cr02)
--—
203V(NORM)
,
19.3VICrO.
+
2
\apruoew)
navivoemgt
QE
772)
Ter
12IMCr0,)
|
20.2V(Cr02)
ny
og
Sioy~
$109,
(Se0)~S209)
KE/PB
SWITCH
R52
33
NN
+B/
19V
(HEAD
PHONE
AMP
L.Rch.)
ee
a
S
ie
:
>:
aes
ay
21
Soe
ec
H
+82
203
(PRE,
DOLBY
REC.
AMP
Lith)
-
'
e
3
futing
Switch
Shs
*
N
+83
203V(PRE.
DOLBY
REC.
AMP
Rch)
S
zz
xk
FE
ered
eae
ee
ae
NOTES:
b.
Stor>S109
(Saor~Sz09)
es
%
a
(PLAY
BACK
POSITION)
St
tes
Sse
hen
oe
2.
LACK
NO.
&
SS)
:
8
|
Risr,
Rise
Rig,
Rao,
©as,
rar
s
R232»
R236,
£239:
Reao
»€0a5
1287
x
e
--
|
Cres
a
|
72
MOTOR
Cl
Pz
Dios,
D3
P04,
204
$
Q
|
Cras
Coars
Crass
C2055
Base,
C
yea
C224
1
Sa-1y
54-21
S-1)
53-2
a
R
|
|
3.
LAST
NO
onone
8
|
L74SE
Tédome
J
QioasO,
Dior,
C8,
Be
C1291
@204
1
De,
D207,
&8;
Ba53+C227
&
L
he
a
ee
POLO
a}
FUSE(DBA)
é
5
O09
jasv(Rec)
109
11.3V(PLAY)
12.5V
Ape
QT
(REC)
AC
!
|
| |
|
|
|
I
|
|
|
|
!
|
!
J
|
Secondary
Switch
is
not
used.
“(FOR
MVD)
19

Related product manuals