EasyManua.ls Logo

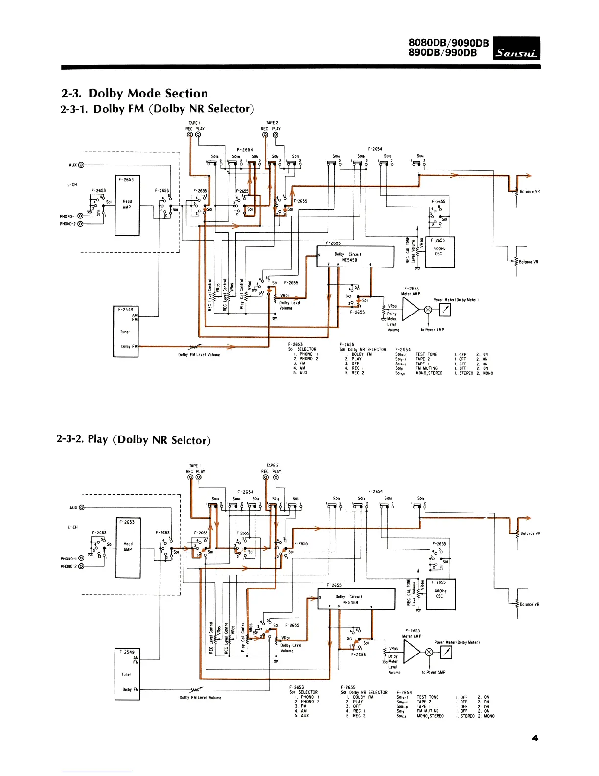
Sansui 8080DB - 2-3-1. Dolby FM (Dolby NR Selector); 2-3-2. Play (Dolby NR Selector)

Sansui 8080DB
27 pages
Print Icon
To Next Page IconTo Next Page
To Next Page IconTo Next Page
To Previous Page IconTo Previous Page
To Previous Page IconTo Previous Page
Loading...

Related product manuals