EasyManua.ls Logo

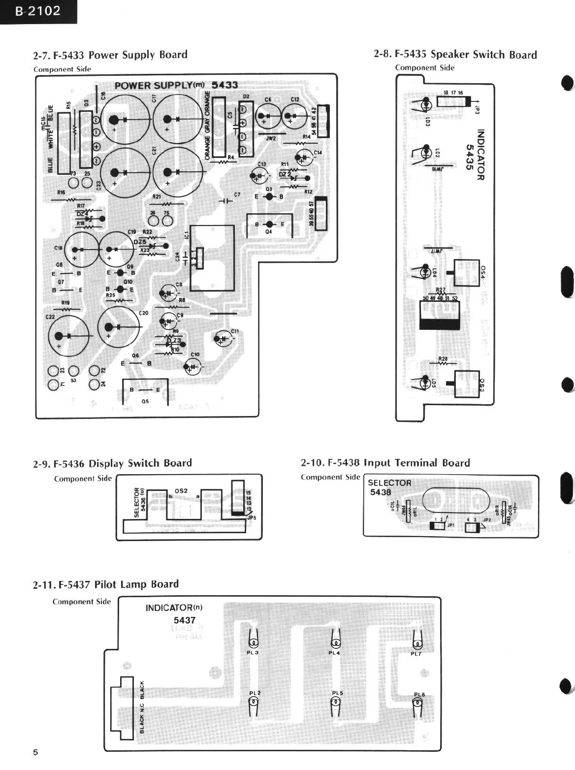
Sansui B-2102 - Additional Circuit Board Component Layouts; F-5433 Power Supply Board Component Layout; F-5435 Speaker Switch Board Component Layout; F-5436 Display Switch Board Component Layout

Sansui B-2102
17 pages
Print Icon
To Next Page IconTo Next Page
To Next Page IconTo Next Page
To Previous Page IconTo Previous Page
To Previous Page IconTo Previous Page
Loading...

Related product manuals