EasyManua.ls Logo

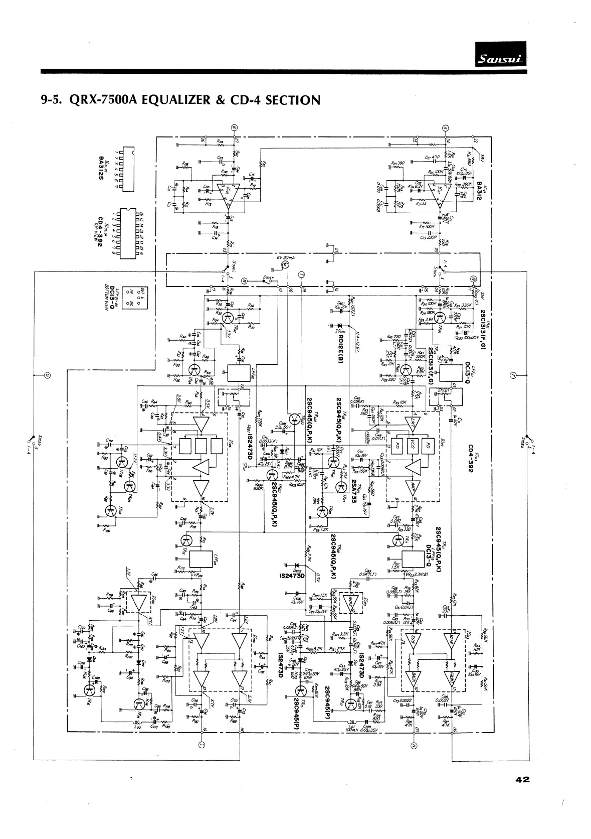
Sansui QRX-7500A - QRX-7500 A Equalizer & CD-4 Section Schematic

Sansui QRX-7500A
42 pages
Print Icon
To Previous Page IconTo Previous Page
To Previous Page IconTo Previous Page
Loading...

Table of Contents

Related product manuals