EasyManua.ls Logo

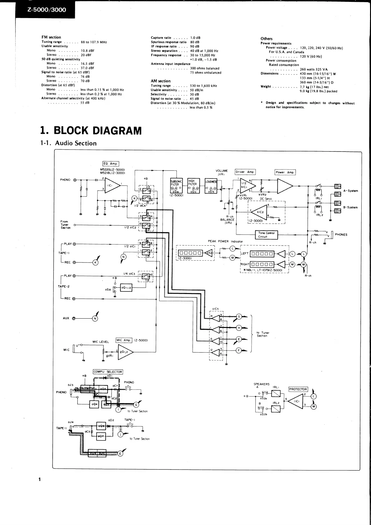
Sansui Z-5000 - Block Diagrams; Audio Section Block Diagram

Sansui Z-5000
20 pages
Print Icon
To Next Page IconTo Next Page
To Next Page IconTo Next Page
To Previous Page IconTo Previous Page
To Previous Page IconTo Previous Page
Loading...

Related product manuals