EasyManua.ls Logo

Santos PS - Wiring diagram 110-120 V 50;60 Hz Model #1, 1 PS

Santos PS
20 pages
Print Icon
To Next Page IconTo Next Page
To Next Page IconTo Next Page
To Previous Page IconTo Previous Page
To Previous Page IconTo Previous Page
Loading...
SANTOS : User and maintenance manual
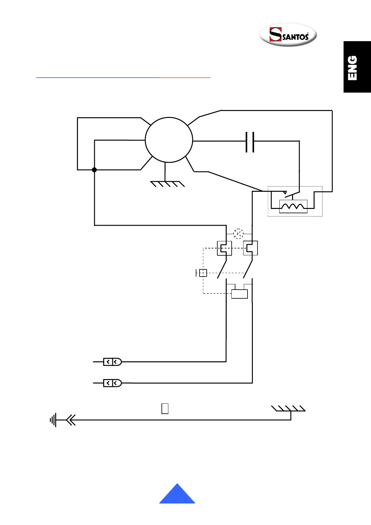
Wiring diagram 110-120V 50/60Hz Model #1, 1PS
4
3
2
Relais de
démarrage
Bleu
~
Marche/Arrêt
Blanc
Blanc
Noir
Marron
Condensateur
Noir
4
P1
3
P2
U<
M
Jaune
Blanc
Rouge
Marron
Noir
Noir
Blanc
0
98101 US 3.0 - 09 2007 11 / 20 www.santos.fr

Related product manuals