EasyManua.ls Logo

Santos PS - Wiring diagram 100-120 V 50;60 Hz Model #4

Santos PS
20 pages
Print Icon
To Next Page IconTo Next Page
To Next Page IconTo Next Page
To Previous Page IconTo Previous Page
To Previous Page IconTo Previous Page
Loading...
SANTOS : User and maintenance manual
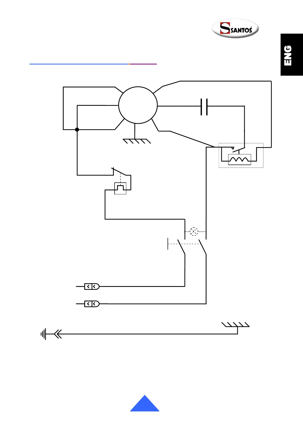
Wiring diagram 100-120V 50/60Hz Model #4
4
3
2
Starter relay
Blue
~
On/Of
f
White
White
White
White
Green/yellow
Black
White
White
Capacitor
M
Y
ellow
White
Red
Brown
Black
Thermal overload
protecto
r
98101 US 3.0 - 09 2007 14 / 20 www.santos.fr

Related product manuals