EasyManua.ls Logo

Sanyo DC-DA370 - Page 22

Sanyo DC-DA370
30 pages
Print Icon
To Next Page IconTo Next Page
To Next Page IconTo Next Page
To Previous Page IconTo Previous Page
To Previous Page IconTo Previous Page
Loading...
- 29 -- 28 -
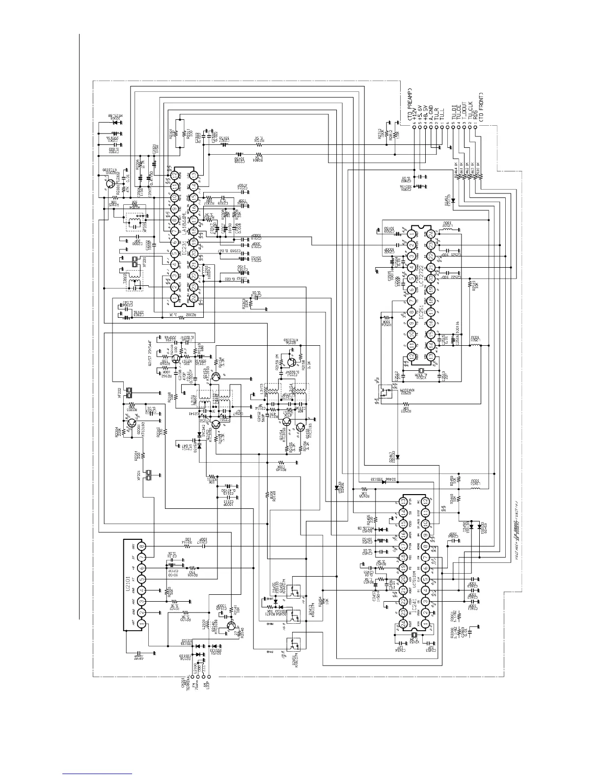
SCHEMATIC DIAGRAM (TUNER)
This is a basic schematic diagram.

Related product manuals