EasyManua.ls Logo

Sanyo M9998LU - Block Diagram

Sanyo M9998LU
27 pages
Print Icon
To Next Page IconTo Next Page
To Next Page IconTo Next Page
To Previous Page IconTo Previous Page
To Previous Page IconTo Previous Page
Loading...
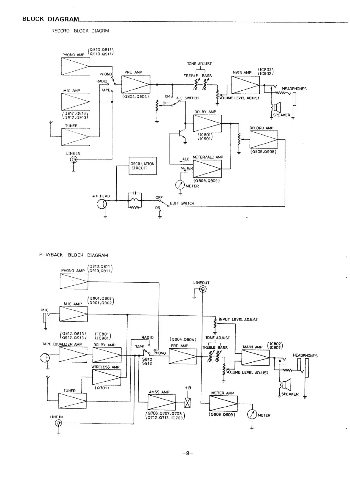
BLOCK
DIAGRAM
RECORD
BLOCK
DIAGRM
(eee
any)
PHONO
AMP
\Q910,Q914
TONE
ADJUST
PRE
AMP
~q
MAIN
AMP
TREBLE
BASS
es
ALC
SWITCH
O
(ears
gee
an
PHONO!
1¢902
HEADPHONES
(Q804,Q904)
VOLUME
LEVEL
ADJUST
OFF
=a
—O
DOLBY
AMP
(2812.a813)
SPEAKER
Q912,Q913
A
TONER
RECORD
AMP
(Q808,Q908)
LINE
IN
OSCILLATION
CIRCUIT
(a809,Q909)
METER
EDIT
SWITCH
PLAYBACK
BLOCK
DIAGRAM
(avian
)
PHONO
AMP
\Q910,Q911
LINEOUT
V
(jean
aes)
=
MIC
AMP
Q901,0902
MIC
|
INPUT
LEVEL
ADJUST
Q812.0813
1C801
ig
(as17-co13)
(reser
(0804,a904)
|
TONE
AdUUST
TAPE
EQUALIZER
AMP
DOLBY
AMP
PRE
AMP
TREBLE
BASS
MAIN
AMP
(ié903
)
Sse
or
WIRELESS
AMP
+8
TUNER
AMSS
AMP
METER
AMP
Se,
tare
crinoe
)
(Q809
,Q909)}
(/)
METER
LINE
IN
Q712.Q713,1C703