EasyManua.ls Logo

Sanyo MDF-U537 - MDF-U333 Refrigeration Circuit Details

Sanyo MDF-U537
53 pages
Print Icon
To Next Page IconTo Next Page
To Next Page IconTo Next Page
To Previous Page IconTo Previous Page
To Previous Page IconTo Previous Page
Loading...
15−
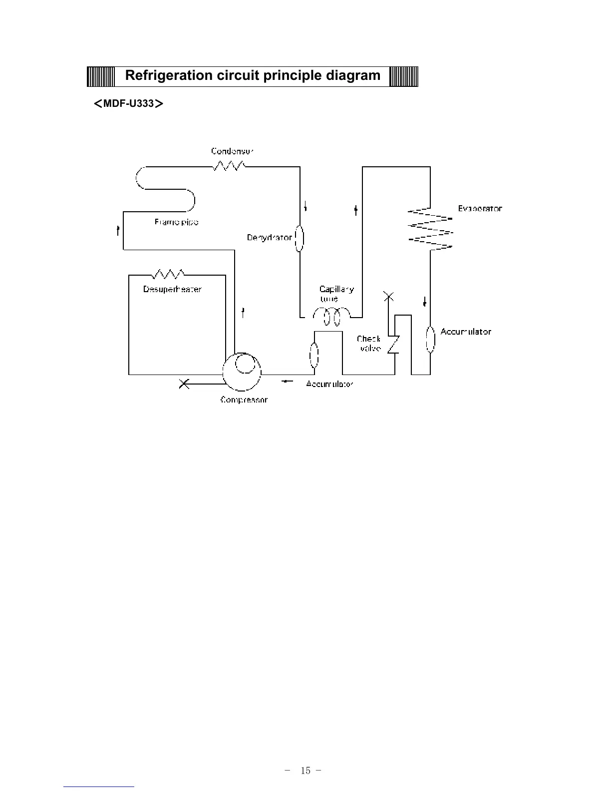
Refrigeration circuit principle diagram
MDF-U333

Related product manuals