EasyManua.ls Logo

Sanyo MDF-U53V - Page 9

Sanyo MDF-U53V
68 pages
Print Icon
To Next Page IconTo Next Page
To Next Page IconTo Next Page
To Previous Page IconTo Previous Page
To Previous Page IconTo Previous Page
Loading...
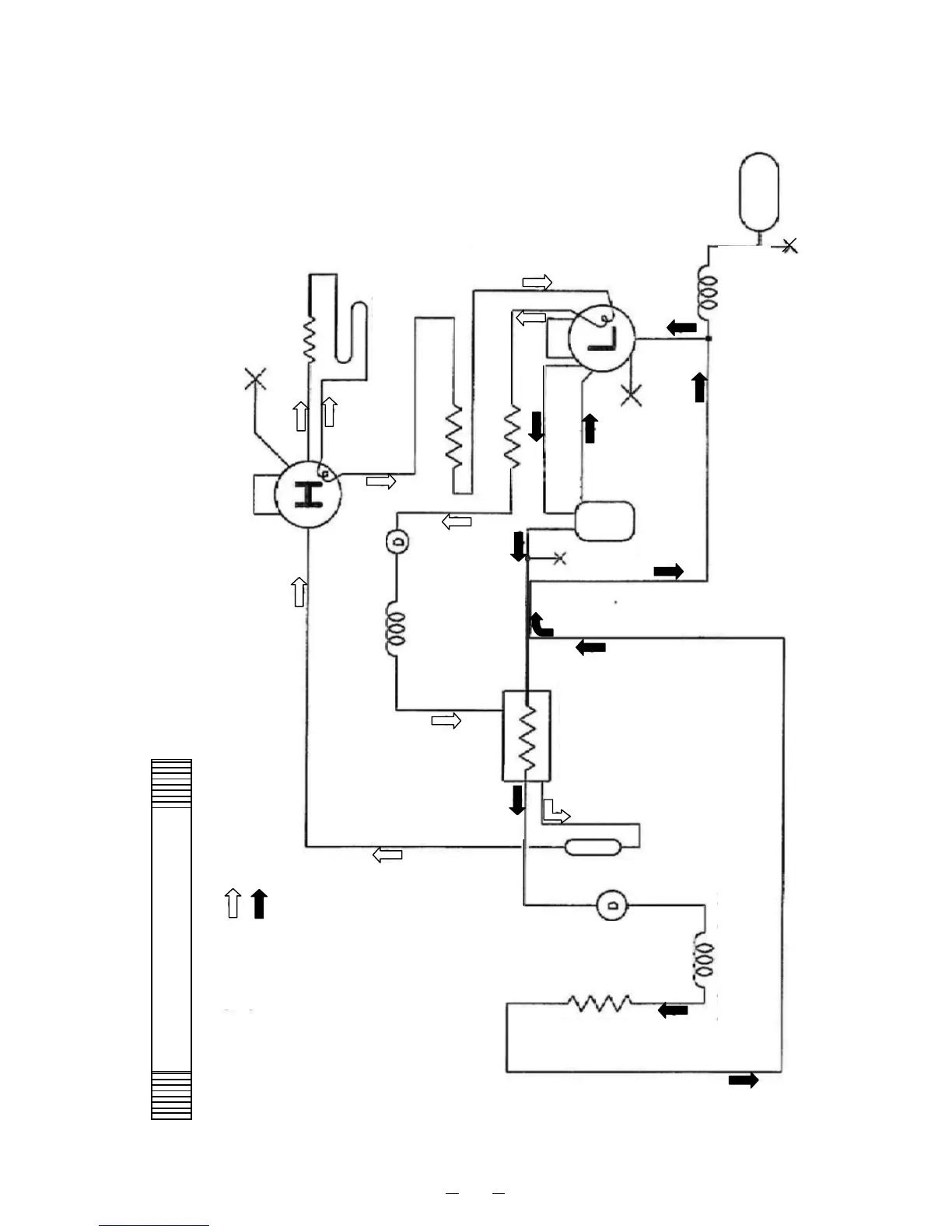
6
Refrigeration circuit
H side
L side
Compressor H
Pre-condenser
Frame pipe
Pre-condenser
Condenser
Dryer H
Capillary tube H
Compressor L
Oil separator
Capillary tube
EX
EX tank
Heat exchanger
Cascade condenser
Capillary tube L
Header
Dryer L
Evaporator

Related product manuals