EasyManua.ls Logo

Sanyo STW0923C2 - Page 41

Sanyo STW0923C2
68 pages
Print Icon
To Next Page IconTo Next Page
To Next Page IconTo Next Page
To Previous Page IconTo Previous Page
To Previous Page IconTo Previous Page
Loading...
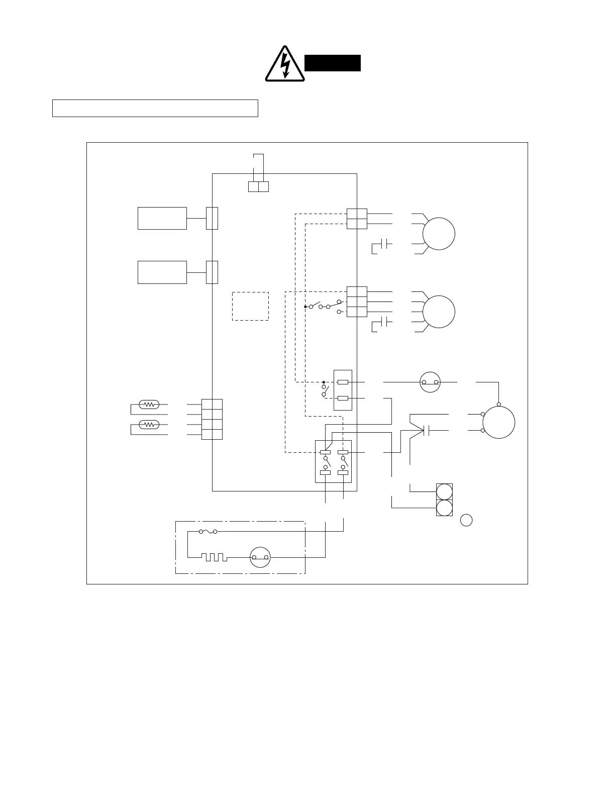
Cooling & electric heating models (265 V)
37
SELECTOR
SWITCH
SELECTOR
6P
THERMO
SET
THERMO
CLASS 2
TRANS
3P
1 1
2 2
31
3 3
1 1
3 3
4 4
BLK
GRY
FMO
FMI
CM
WHT
FMO
BRN
PNK(RED)
RED
WJ
JUMPER
BLK
BLK
(RTH)
(IDC)
BLK
THERMISTOR
CONTROLLER
HEATER ASS'Y
CAPACITOR (FMO)
OUTDOOR
FAN MOTOR
1 1
3 3
5
4
3
34
56
5
GRY
WHT
YEL
RED RED
BLK
WHT
FMI
CM
BRN
PNK(RED)
CAPACITOR (FMI)
CAPACITOR (CM)
TERMINAL BASE
POWER
SUPPLY
2
1
PTAC (265 V) 8512-5253-72200
COMP OVERLOAD
COMPRESSOR
R
S
G
C
INDOOR
FAN MOTOR
SENSOR
FUSE
RH
HEATER
THERMAL LIMIT.
GRY
BLU
BLK
WHT
BLK
WHT
(TEMP. SETTING)
To avoid electrical shock hazard, be sure to
disconnect power before checking, servicing
and/or cleaning any electrical parts.
WARNING

Related product manuals