EasyManua.ls Logo

Sauer Danfoss SPV2 Series - Troubleshooting, Gauge Installation, and Information; Gauge Information

Default Icon
36 pages
Print Icon
To Next Page IconTo Next Page
To Next Page IconTo Next Page
To Previous Page IconTo Previous Page
To Previous Page IconTo Previous Page
Loading...
6
DKMH.PS.315.B1.02 520L0535
Series 20 – Axial Piston Pumps
Service Manual and Repair Instructions
P000 341
TROUBLE SHOOTING, GAUGE INSTALLATION AND INFORMATION
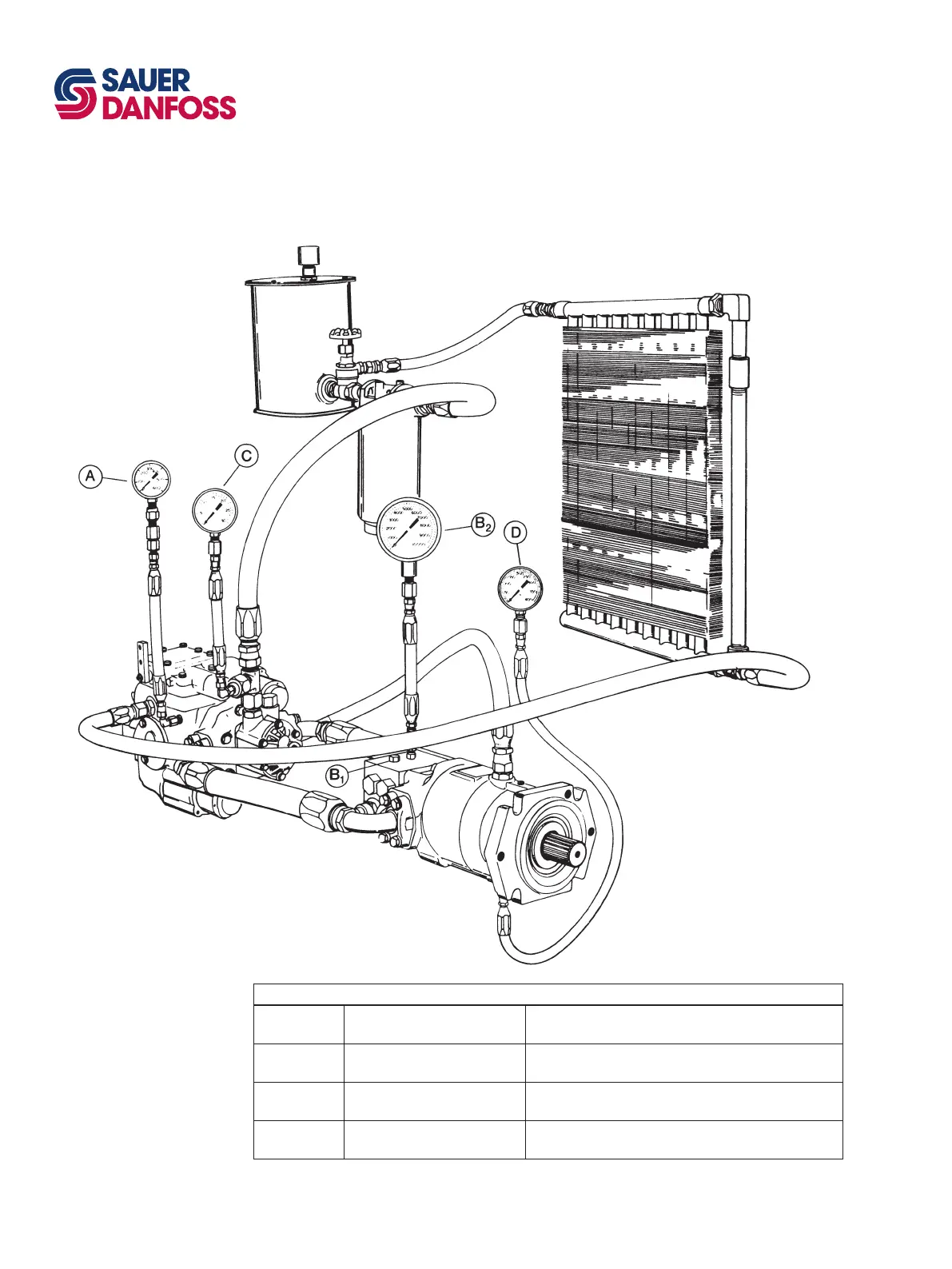
Gauge Information
A Charge Pressure
60 bar [870 psi] - Gauge
7/16 - 20 UNF O-ring Fitting
B System Pressure
600 [8700 psi] bar - Gauge
7/16 - 20 UNF O-ring Fitting
C Inlet Vacuum
Vacuum gauge
Tree Into Inlet Line
D Case Pressure
8 bar [116 psi] - Gauge
Adapt to Bottom Drain Port
Recommended Tools and Installation
Series 20 Axial Piston Pumps_SR.indd 24.4.2002, 14:026-7

Table of Contents

Related product manuals