EasyManua.ls Logo

sauermann Si-83 - Page 6

sauermann Si-83
28 pages
Print Icon
To Next Page IconTo Next Page
To Next Page IconTo Next Page
To Previous Page IconTo Previous Page
To Previous Page IconTo Previous Page
Loading...
6
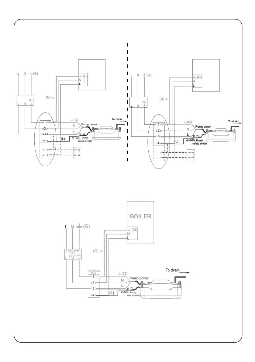
Fig. 9
NO
NC
NC

Related product manuals