EasyManua.ls Logo

Scantool 50-2000 - Belt Grinding Machine with Exhaust System Diagram

Scantool 50-2000
21 pages
Print Icon
To Next Page IconTo Next Page
To Next Page IconTo Next Page
To Previous Page IconTo Previous Page
To Previous Page IconTo Previous Page
Loading...
11
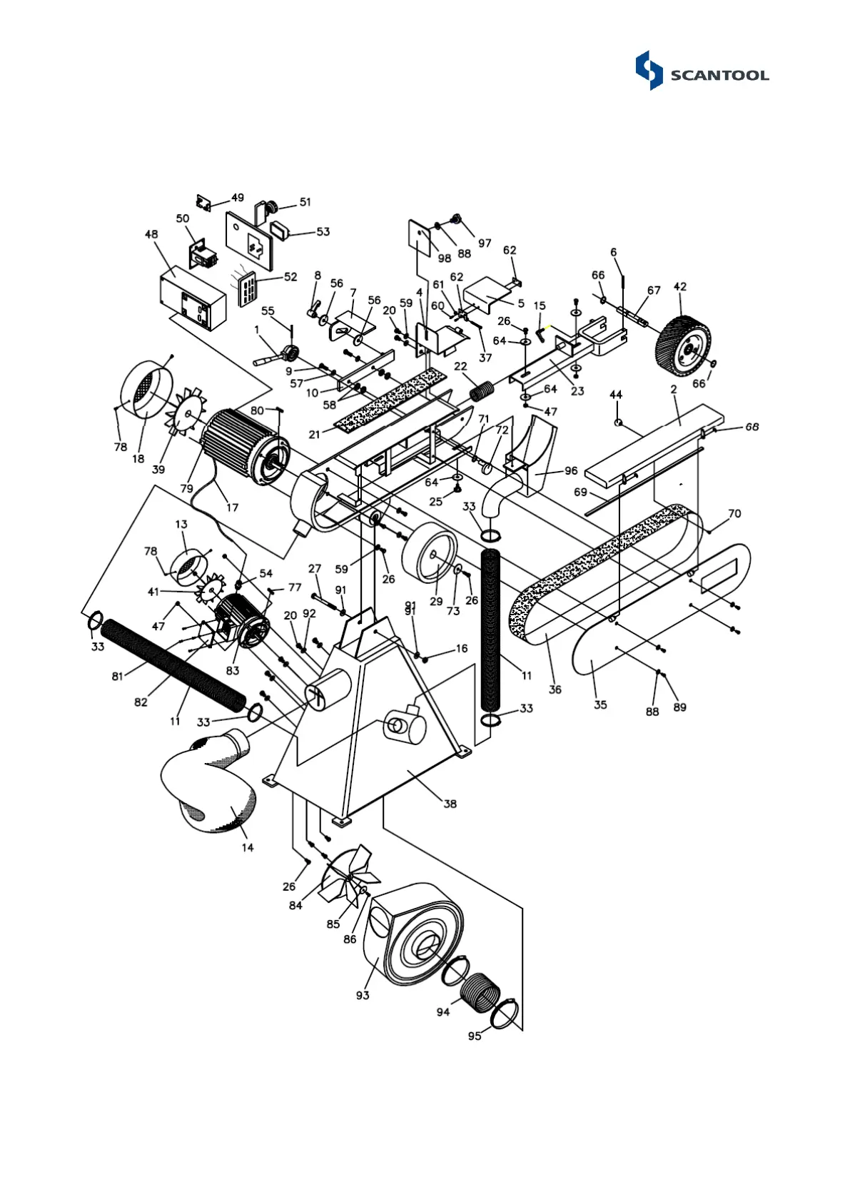
3.3 Belt Grinding Machine with Exhaust System
Fig.: 3.2 Split drawing of belt grinder with exhaust