EasyManua.ls Logo

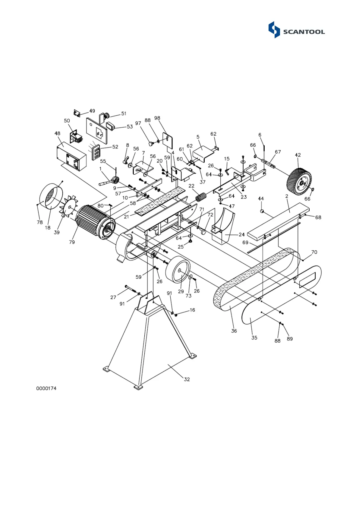
Scantool 50-2000 - Spare Parts List; Drawing of Belt Grinding Machine without Exhaust System

Scantool 50-2000
21 pages
Print Icon
To Next Page IconTo Next Page
To Next Page IconTo Next Page
To Previous Page IconTo Previous Page
To Previous Page IconTo Previous Page
Loading...
8
3. Spare Parts List
3.1 Drawing of Belt Grinding Machine without Exhaust system.
Fig.: 3.1 Split drawing of belt grinder with no exhaust