EasyManua.ls Logo

Schaudt EBL 101 D - G Block diagram;wiring diagram

Schaudt EBL 101 D
16 pages
Print Icon
To Previous Page IconTo Previous Page
To Previous Page IconTo Previous Page
Loading...
Instruction Manual EBL 101 D / EBL 101 C with OVP
16
Date: 29.04.2010 811.554 BA / EN
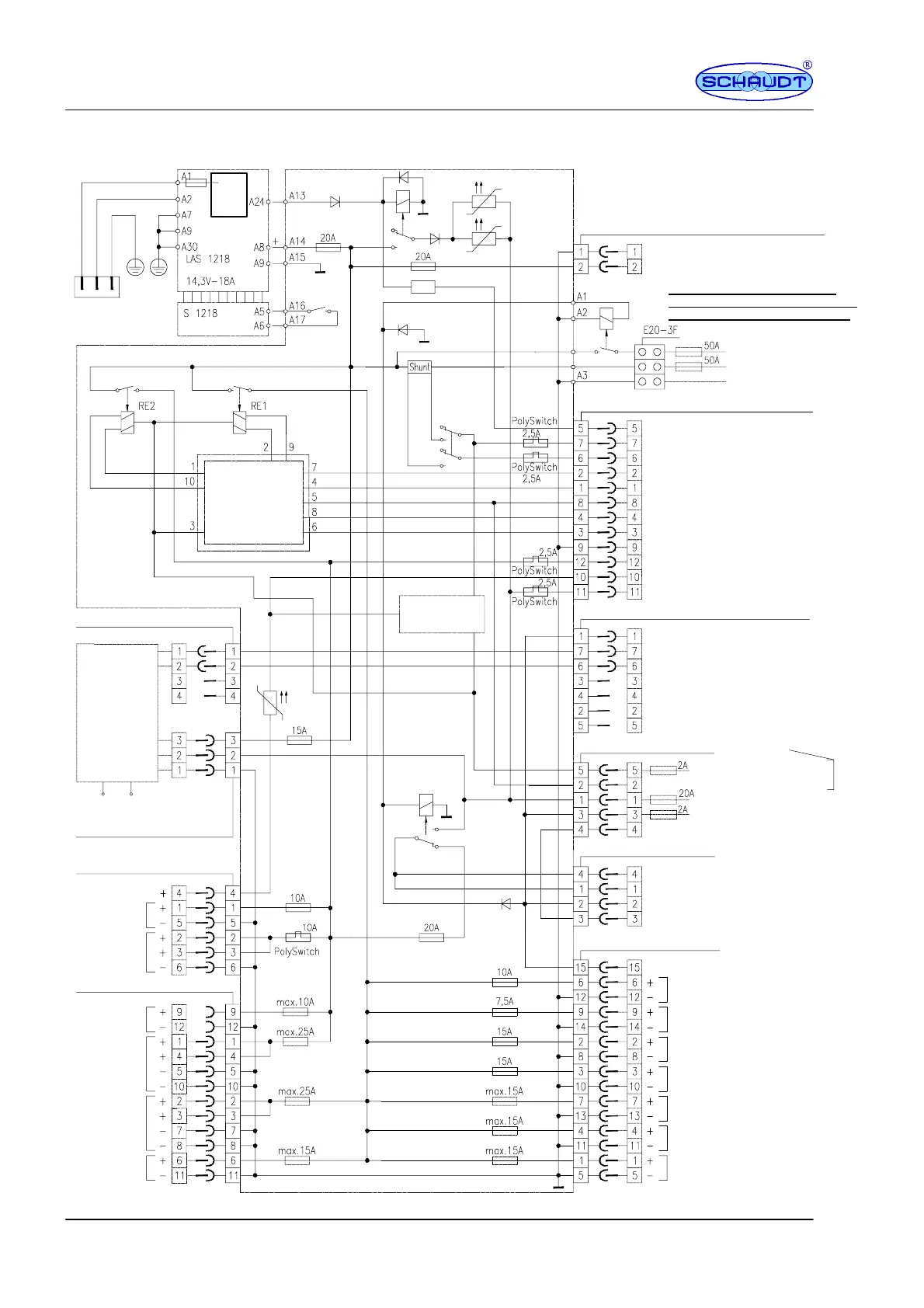
G Block diagram/wiring diagram
+ sensor living area battery
Negative sensor living area battery
+ Starter batt. for refrigerator*
D+ input
Negative starter battery for refrigerator*
MNL-bush socket 2F-BL7 on additional LAS ... charger
Negative charging unit
+ Auxiliary charging unit
Battery
cut--off relay
The negative pole of the living
area
battery must be connected externally
to
the negative pole of the starter
battery
+ Starter battery (Batt. 1)
+ living room batt. (Batt. 2)
Negative living area battery
Mains indicator
Shunt battery
Shunt consumer
MS relay 1 On
MS relay 1 Off
Minus sensor living area battery (batt. 2)
MS relay 2 On
MS relay 2 Off
Negative lighting
+ Lighting
+ sensor living area battery (batt. 2)
+ Starter battery (Batt.1)
Pin rail MSFQ/0 12F-BL3to DT ... digital panel
Pin rail MSFQ/0 7F-BL9to DT ... digital panel
MNL-bush socket 5F-BL2
MNL-bush socket 4F-BL1
MNL-bush socket 5F-BL8
D+ point
Signal solar living area battery
Signal solar starter battery
nc
nc
nc
nc
* Refrigerator lines must be lead to
the battery poles without being
connected to other battery supplies
every 1.5 mm
2
max. 10 m
+ Compressor/AES refrigerator
+ Absorber refrigerator*
D+ point
Negative refrigerator
D+ point
TV
Pump
Circuit 1
Circuit 2
Spare 1
Spare 5
Spare 6
Fuse only with
compressor/AES
refrigerator.
Power supply
switching stage
Battery
cut--off switch
(off)
Module HS100
MS * relay 60
A
MS * relay 60
A
Circuit board
Lead-gel/
lead-acid
switchover
Charging relay
for starter battery
Pin rail MSFQ/0 4F-BL10to
LR ... solar regulator
MNL-bush socket 3F-BL6 on
LR ... solar regulator
MNL-bush socket 6F-BL4
MNL-bush socket 12F-BL5
WB signal
SB signal
[+]WB
SB
[ -- ] Negative
Solar
charge
regulator
LR ...
Solar module
[Solar module]
Heater
Floor light
/Step
Frost protection valve
Refrigerator
relay
Spare 4B
Spare 4A
Spare 3
Spare 2
Only for EBL 101 C with OVPOVP*:
Prise appareil de froid
secteur 230 V
50 Hz
OVP*

Related product manuals