EasyManua.ls Logo

Scotsman 05566 - MF 26-36 Diagrams

Scotsman 05566
42 pages
Print Icon
To Next Page IconTo Next Page
To Next Page IconTo Next Page
To Previous Page IconTo Previous Page
To Previous Page IconTo Previous Page
Loading...
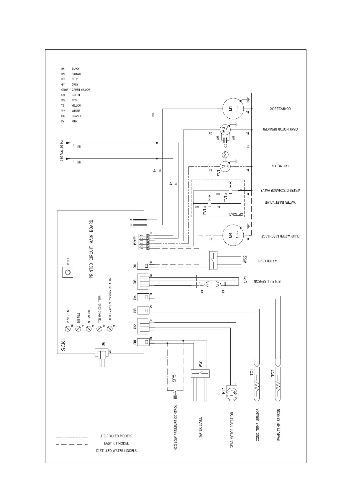
WIRING DIAGRAM MF 26-36
AIR AND WATER COOLED
230/50/1
Page 33

Related product manuals