EasyManua.ls Logo

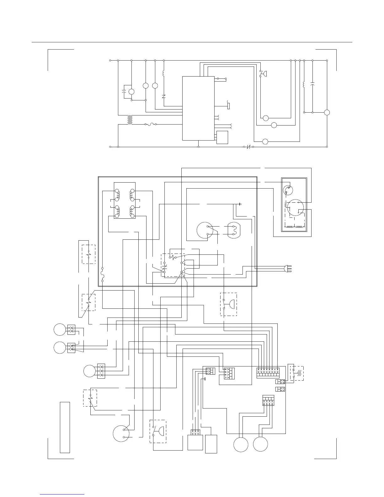
Scotsman CU3030 - Wiring Diagram, CU1526 and CU2026 50 Hz after Serial Number 12021320013437

Scotsman CU3030
62 pages
Print Icon
To Next Page IconTo Next Page
To Next Page IconTo Next Page
To Previous Page IconTo Previous Page
To Previous Page IconTo Previous Page
Loading...
CU1526, CU2026, CU3030
Service Manual
Wiring Diagram, CU1526 and CU2026 50 Hz after Serial Number 12021320013437
February 2012
Page 50
FUSE
(3A)
O
FUSE (3A)
GN
*
*
TRANSFORMER
5
4
2
1
9
7
6
10
LINE
LOAD
12V
230V
BK
BK
W
BN/W
W
Y
W
FAN CYCLING
PRESSURE
SWITCH
(A/C ONLY)
HARVEST ASSIST
SOLENOID 1
ICE
THICKNESS
PROBE
CURTAIN
SWITCH 1
CURTAIN SWITCH
J6
1234
CAUTION: PTCR WILL BE HOT.
COMPRESSOR MAY NOT START IF
PTCR IS NOT ALLOWED TO COOL
MOT
FAN
(WHEN 2ND
FAN IS PRESENT)
W/Y
(AC ONLY)
(WATER COOLED ONLY)
(AIR COOLED ONLY)
FAN
MOTOR
Y
HIGH
PRESSURE
CONTROL
(WC ONLY)
L1 T1
L2
T2
CONTACTOR
MOT
PUMP
SOLENOID
SOLENOID
HOT GAS
WATER
USE COPPER CONDUCTORS ONLY
THIS UNIT MUST
BE GROUNDED.
CAUTION:
MORE THAN ONE DISCONNECT MEANS MAY BE
REQUIRED TO DISCONNECT ALL POWER TO THIS UNIT.
17-3374-01
RUN
CAP
PTCR
POWER SUPPLY
SEE NAMEPLATE FOR
PROPER VOLTAGE REQUIREMENTS
AND MAXIMUM FUSE SIZE
L1
L2
LINE
12V
TRANSFORMER
HOT GAS VALVE
WATER VALVE
CONTACTOR
COIL
COMPRESSOR
RUN
CAP
WATER
PUMP
PTCR
CONTACTOR T1
WATER
LEVEL
SENSOR
SUMP
TEMP.
DISCHARGE
TEMP.
ELECTRONIC CONTROL
BN
W
BU
W
BK
W
R/W
V
BN/W
BK
W
ELECTRONIC
CONTROL
BK
R
W/R
W/R
W
DUMP
VALVE
BK
DUMP
VALVE
HIGH PRESSURE
CONTROL
MOT
FAN
W
BN
4
3
21
J1
3
2
1
J9
7654321
J2
2
1
J8
2
1
J7
R
8
FAN CYCLING PRESSURE
CONTROL SWITCH
(AIR COOLED ONLY)
BN
DISCHARGE
TEMP.
SENSOR
SUMP TEMP.
SENSOR
WATER
LEVEL
SENSOR
W
BK
R
EARTH GROUND
J10
HARV ASSIST
SOLENOID
ICE
THICKNESS
PROBE
BK
W
GN/Y
GN/Y
.33
uF
Y
C
S
R
START WINDING
RUN WINDING
BK
W
R
BK
EXTERNAL
PROTECTOR
COMPRESSOR

Table of Contents

Other manuals for Scotsman CU3030

Related product manuals