EasyManua.ls Logo

Scotsman MDT2C12 - Principle of Operation

Scotsman MDT2C12
26 pages
Print Icon
To Next Page IconTo Next Page
To Next Page IconTo Next Page
To Previous Page IconTo Previous Page
To Previous Page IconTo Previous Page
Loading...
PRINCIPLE OF OPERATION
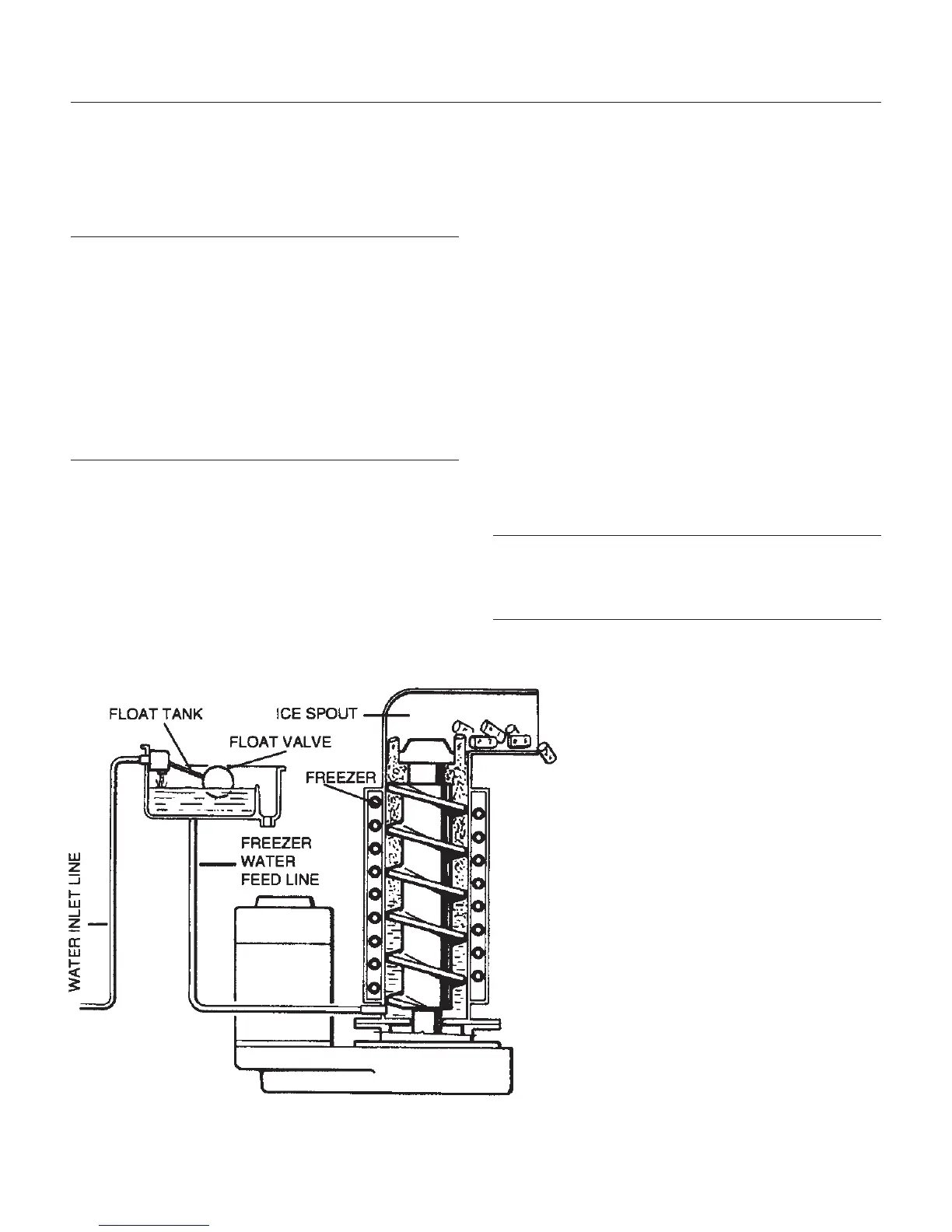
WATER CIRCUIT
The water enters the machine through the water
inlet fitting (which has a strainer and is located at
the rear side of the cabinet) and goes to the water
reservoir through a float valve.
NOTE: The presence of the water in the float
reservoir is detected by a system of two sensors
that operate in conjunction with the PC Board. The
two sensors use the water as a conductor to
maintain a low voltage current flow between them.
If the water used is very soft (de-mineralized) or
the float reservoir is empty, the current that flows
between the sensors may become weak or cease.
If this happens, the PC Board will shut off the
flaker’s operation and the YELLOW LED will light
signaling a “Shortage of water.”
The float reservoir is positioned at the side of the
freezing cylinder high enough to maintain a
constant water level around the freezer auger. In
fact, the water flows from the reservoir into the
bottom inlet of the freezing cylinder to surround the
stainless steel auger, which is vertically fitted in the
center of the freezer.
In the freezer the incoming water gets chilled into
soft (slush) ice, which is moved upward by the
rotating action of the auger. The stainless steel
auger rotates counter-clockwise within the freezer
and is powered by a direct drive gear motor. It
carries the ice upward along the inner walls of the
freezer and as it raises the ice gets progressively
thicker and harder. As the ice rises upward it
moves toward the icebreaker (which is located on
the top end of the auger), where it gets compacted,
cracked and shifted horizontally to be discharged
out through the ice spout, into the storage bin.
Once the ice machine is turned on it starts the
automatic ice making process, which will continue
until ice storage bin is full enough to trigger the
control “eye” located on the sides of the ice spout.
As the ice level raises it interrupts the light beam
running between the two infrared lamps. The unit
stops after six seconds and the YELLOW LED
turns on to signal that there is a “Full Storage Bin”.
NOTE: The interruption of the light beam between
the two light sensors is signaled by the 1st RED
LED located on the front of the PC Board turning
off.
After about 6 seconds of steady
interruption of the light beam the unit
stops and the “Full Storage Bin”
YELLOW LED glows. The six second
delay prevents the unit from stopping
for small interruptions in the light beam
such as is caused by flakes sliding
along the ice spout before dropping
into the bin.
As ice gets scooped out of the storage
bin, the light beam between the two
sensors resumes. The 1st RED LED
lights up; 6 seconds later the ice
machine resumes making ice and the
YELLOW LED goes off.
MDT2
May 2002
Page 12

Related product manuals