EasyManua.ls Logo

Scotsman MXG 638 - OPERATING INSTRUCTIONS; START UP

Scotsman MXG 638
40 pages
Print Icon
To Next Page IconTo Next Page
To Next Page IconTo Next Page
To Previous Page IconTo Previous Page
To Previous Page IconTo Previous Page
Loading...
Page 16
Page 16
OPERATING INSTRUCTIONS
NOTE.
Pcb is equipped by "no delay"
(MXG 328-428-438) or 60 minutes jumper
setting start up delay (see pag. 26). In case
of pcb setting to 60 minutes (MXG 638 - 938)
ice maker doesn't start until this time is elapsed.
After having correctly installed the ice maker
and completed the plumbing and electrical
connections, perform the following “Start-up”
procedure.
START UP
After having correctly installed the ice maker and
completed the plumbing and electrical
connections, perform the following “Start-up” pro-
cedure.
A. Give power to the unit to start it up by
switching "ON" the power line main disconnect
switch and push "Green button Power" switch at
unit front panel.
NOTE.
Every time the unit returns under
power, after having been switched off, the
water inlet valve, the hot gas valve and the
water drain valve get energized for a period
of 5 minutes, thus to admit new water to the
machine sump reservoir to fill it up and,
eventually, to wash-off any dirt that can have
deposited in it during the unit off period
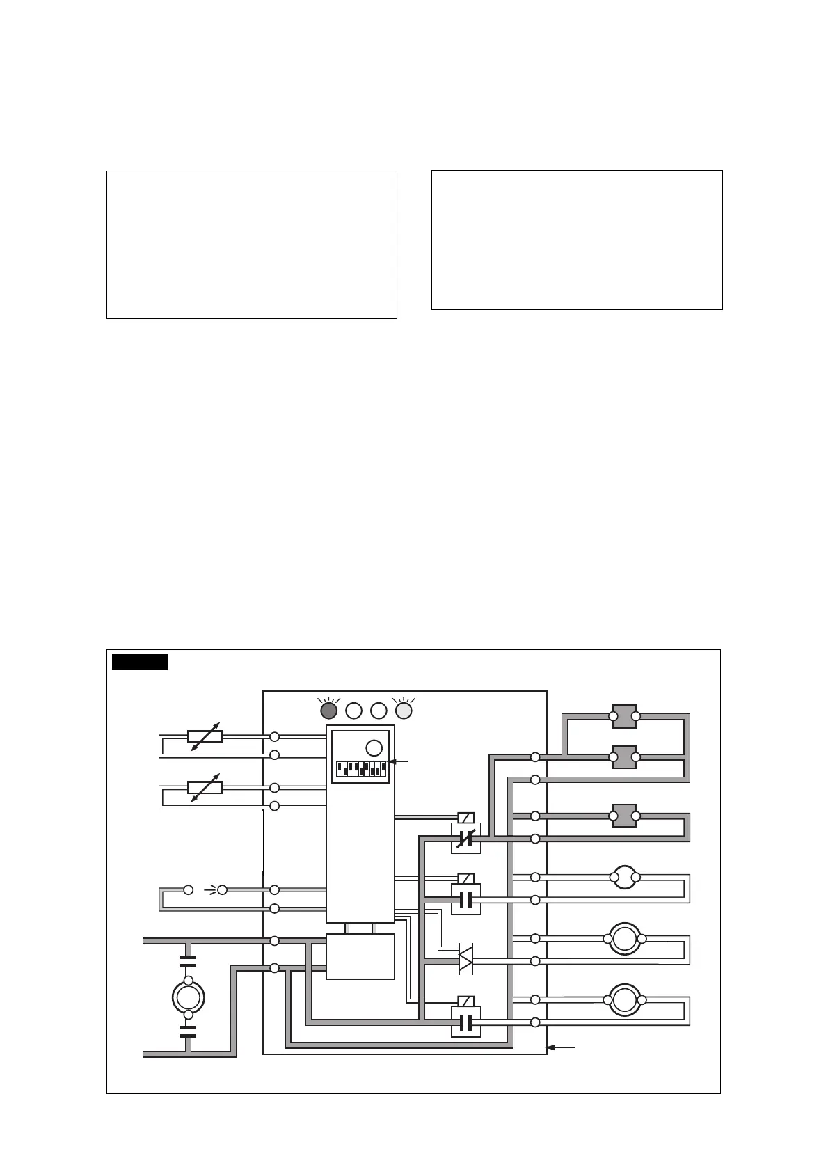
(Fig.1).
B. During the water filling operation, check to
see that the incoming water dribbles, through the
evaporator platen dribbler holes, down into the
sump reservoir to fill it up and also that the
incoming surplus of water flows out through the
overflow pipe into the drain line.
During the water filling phase the components
energized are:
THE WATER INLET SOLENOID VALVE
THE HOT GAS SOLENOID VALVE
THE WATER DRAIN SOLENOID VALVE/S
for the first 30 seconds.
16
15
14
13
2
1
7
8
9
10
3
4
5
6
11
12
Rx Tx
WATER IN VALVE
HOT GAS VALVE
CONTACTOR COIL
FAN MOTOR
WATER PUMP
- EVAPORATOR
- AMBIENT
- CONDENSER
TEMPERATURE SENSORSBINCOMPRESSOR
TRANSF.
DATA
PROCESSOR
ELECTR.
TIMER
DIP
SWITCH
ELECTRONIC CARD
L
N
RELAYS
RELAY
TRIAC
WATER DRAIN VALVE
FIG. 1

Other manuals for Scotsman MXG 638

Related product manuals