EasyManua.ls Logo

Scotsman MXG 638 - WIRING DIAGRAMS; MXG 328-428-438 A-W 230;50;1

Scotsman MXG 638
40 pages
Print Icon
To Next Page IconTo Next Page
To Next Page IconTo Next Page
To Previous Page IconTo Previous Page
To Previous Page IconTo Previous Page
Loading...
Page 31
Page 31
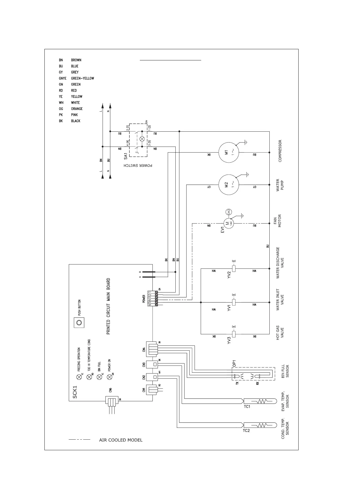
WIRING DIAGRAM
MXG 328 - 428 - 438 A-W 230/50/1

Other manuals for Scotsman MXG 638

Related product manuals