EasyManua.ls Logo

Scotsman MXG 638 - OPERATIONAL CHECKS

Scotsman MXG 638
40 pages
Print Icon
To Next Page IconTo Next Page
To Next Page IconTo Next Page
To Previous Page IconTo Previous Page
To Previous Page IconTo Previous Page
Loading...
Page 17
Page 17
NOTE
. If in the 5 minutes length of the water
filling phase the machine sump reservoir
does not get filled with water up to the rim of
the overflow pipe, it is advisable to check:
1.The water pressure of the water supply line
that must be at least 1 bar (14 psig) Minimum
(Max 5 bar-70 psig).
2.The filtering device installed in the water
line that may reduce the water pressure below
the Minimum value of 1 bar (14 psig).
3. Any clogging situation in the water circuit
like the inlet water strainer and/or the flow
control.
C. At completion of the water filling phase (5
minutes) the unit passes automatically into the
freezing cycle with the start up of:
COMPRESSOR
WATER PUMP
FAN MOTOR/S (in air cooled version) controlled
by the condensing temperature sensor located
within the condenser fins (Fig.2).
OPERATIONAL CHECKS
D. If necessary install the refrigerant service
gauges on both the high side and low side
Schräder valves to check the compressor head
and suction pressures.
NOTE.
On air cooled models the condenser
temperature sensor, which is located within
the condenser fins, keep the head (condensing)
pressure at average 21
°
C amb/15
°
C water
temp. between 14 and 16 bars (203-232 psig).
In the water cooled models the discharge
pressure is kept constant at the value of 15
bars (217 psig) by means of a water regulating
valve located on the water supply line to the
condenser.
In case of condenser clogging such to prevent
the proper flow of the cooling air or, in case
the fan motor is out of operation or shortage
of water in the water cooled condenser, the
condenser temperature rises and when it
reaches 70
°
C (160
°
F) - for air cooled version
- or 60
°
C (140
°
F) - for water cooled version -
the condenser temperature sensor shuts-off
the ice maker with the consequent light-up of
the RED WARNING LED (Fig.3).
After having diagnosed the reason of the rise
of temperature and removed its cause, it is
necessary to unplug (wait few seconds) and
plug in again the unit, thus to put the machine
in condition to initiate a new freezing cycle.
The machine restarts with the usual 5 minutes
water filling phase in order to provide enough
water into the sump tank.
16
15
14
13
2
1
7
8
9
10
3
4
5
6
11
12
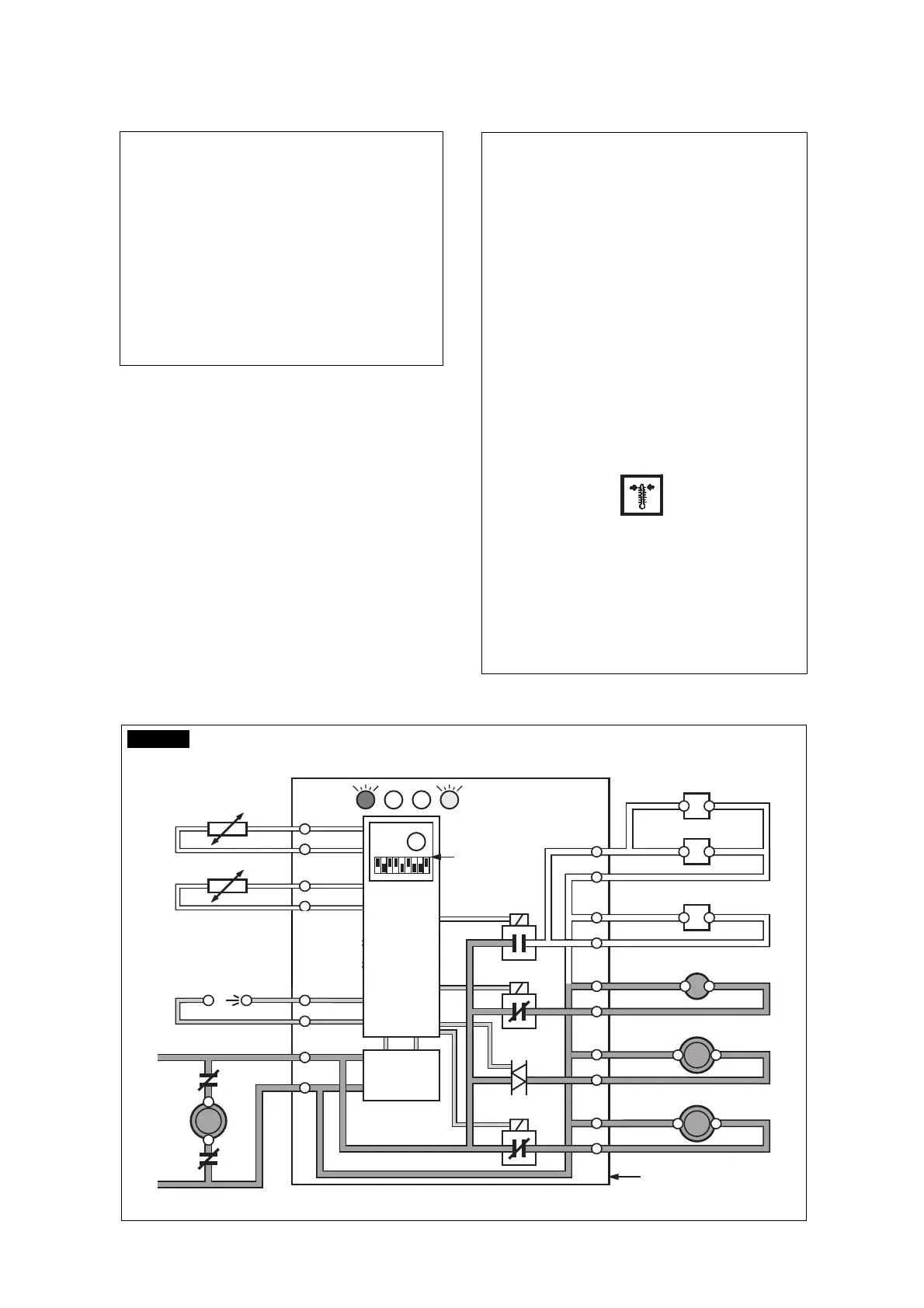
Rx Tx
WATER IN VALVE
HOT GAS VALVE
CONTACTOR COIL
FAN MOTOR
WATER PUMP
- EVAPORATOR
- AMBIENT
- CONDENSER
TEMPERATURE SENSORSBINCOMPRESSOR
TRANSF.
DATA
PROCESSOR
ELECTR.
TIMER
DIP
SWITCH
ELECTRONIC CARD
L
N
RELAYS
RELAY
TRIAC
WATER DRAIN VALVE
FIG. 2

Other manuals for Scotsman MXG 638

Related product manuals