EasyManua.ls Logo

Scotsman MXG 638 - MXG 638 A-W 230;50-60;;1

Scotsman MXG 638
40 pages
Print Icon
To Next Page IconTo Next Page
To Next Page IconTo Next Page
To Previous Page IconTo Previous Page
To Previous Page IconTo Previous Page
Loading...
Page 32
Page 32
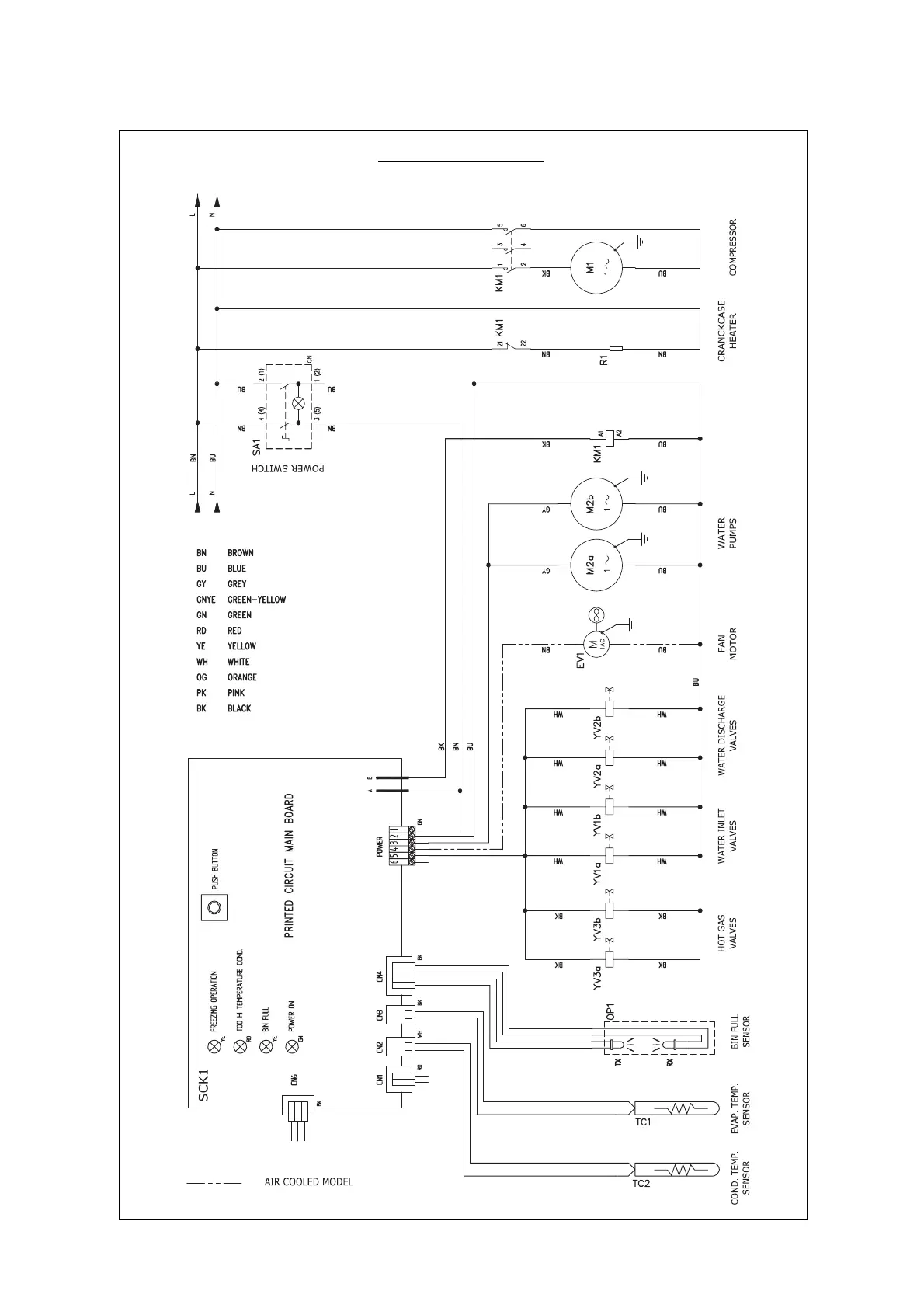
WIRING DIAGRAM
MXG 638 A-W 230/50-60//1

Other manuals for Scotsman MXG 638

Related product manuals