EasyManua.ls Logo

Seg HighTECH MRG3 - Test Circuit

Seg HighTECH MRG3
97 pages
Print Icon
To Next Page IconTo Next Page
To Next Page IconTo Next Page
To Previous Page IconTo Previous Page
To Previous Page IconTo Previous Page
Loading...
Manual MRG3 SEG Electronics GmbH
DOK-TD-MRG3, Rev. D 63
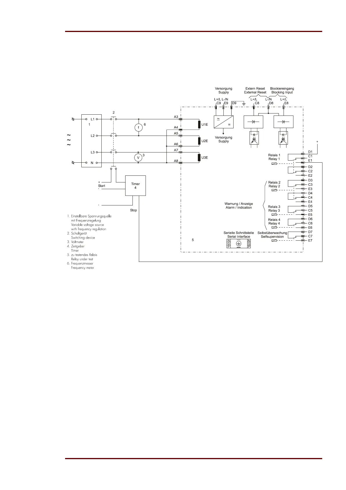
6.4.2 Test circuit
For testing the voltage functions of the MRG3-relay a three phase voltage source with adjustable
voltage and frequency is required. Figure 6.1 shows an example of a three-phase test circuit ener-
gising the MRG3 relay during test. The three phase voltages are connected to the relay in Y-
connection.
Figure 6.1: Three-phase test circuit for the voltage test

Table of Contents