EasyManua.ls Logo

Sel SEL-351A - Page 56

Sel SEL-351A
520 pages
Print Icon
To Next Page IconTo Next Page
To Next Page IconTo Next Page
To Previous Page IconTo Previous Page
To Previous Page IconTo Previous Page
Loading...
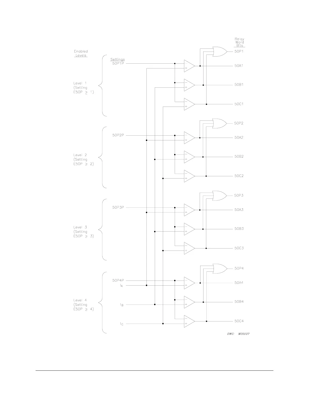
3-2 Overcurrent, Voltage, Synchronism Check, and Frequency Elements Date Code 20010307
SEL-351A Instruction Manual
)LJXUH/HYHOVWKURXJK3KDVH,QVWDQWDQHRXV2YHUFXUUHQW(OHPHQWV

Table of Contents

Related product manuals