EasyManua.ls Logo

Sel SEL-351A - Page 85

Sel SEL-351A
520 pages
Print Icon
To Next Page IconTo Next Page
To Next Page IconTo Next Page
To Previous Page IconTo Previous Page
To Previous Page IconTo Previous Page
Loading...
Date Code 20010307 Overcurrent, Voltage, Synchronism Check, and Frequency Elements 3-31
SEL-351A Instruction Manual
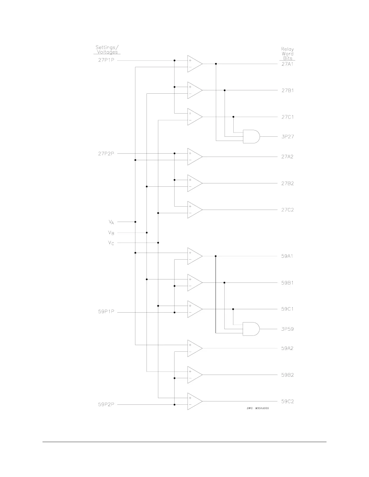
)LJXUH6LQJOH3KDVHDQG7KUHH3KDVH9ROWDJH(OHPHQWV

Table of Contents

Related product manuals