EasyManua.ls Logo

Selema 65 - 4.3 Brush motor in armature feedback

Default Icon
36 pages
Print Icon
To Next Page IconTo Next Page
To Next Page IconTo Next Page
To Previous Page IconTo Previous Page
To Previous Page IconTo Previous Page
Loading...
28
Service Manual
www.selema.it
DC 4Q A Series
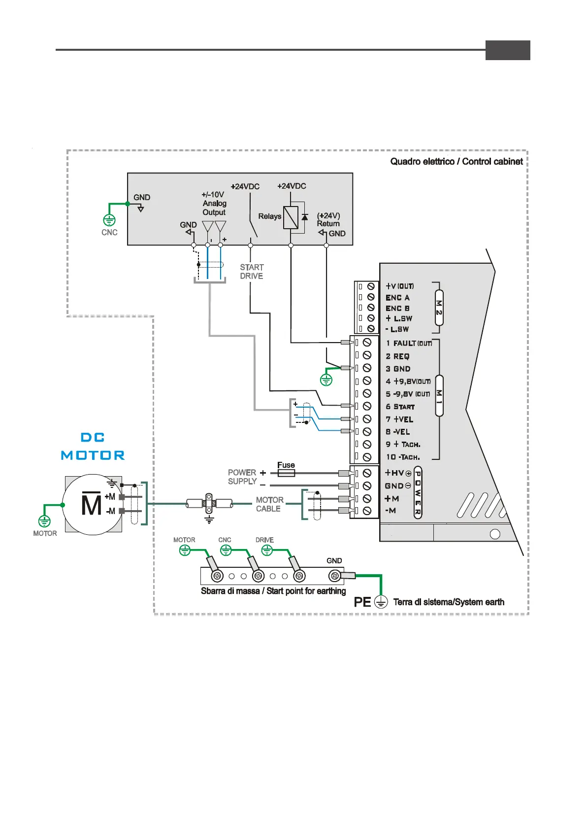
4.3 Brush motor in armature feedback
The following diagram shows an tipical application utilizing a Dc One with Brush motor. The
speed loop velocity is by internal armature feedback.
In the armature voltage PWM converter is used as the internal feedback of speed, when the motor
has not an encoder.
This function is enabled through the following settings on the solder point, and the insertion of RA
and RCA resistance on the adjstustement zone.
CNC

Related product manuals