EasyManua.ls Logo

Servend MD 200 - MDH 302;402 Exploded View

Servend MD 200
64 pages
Print Icon
To Next Page IconTo Next Page
To Next Page IconTo Next Page
To Previous Page IconTo Previous Page
To Previous Page IconTo Previous Page
Loading...
Installation and Service Manual
45
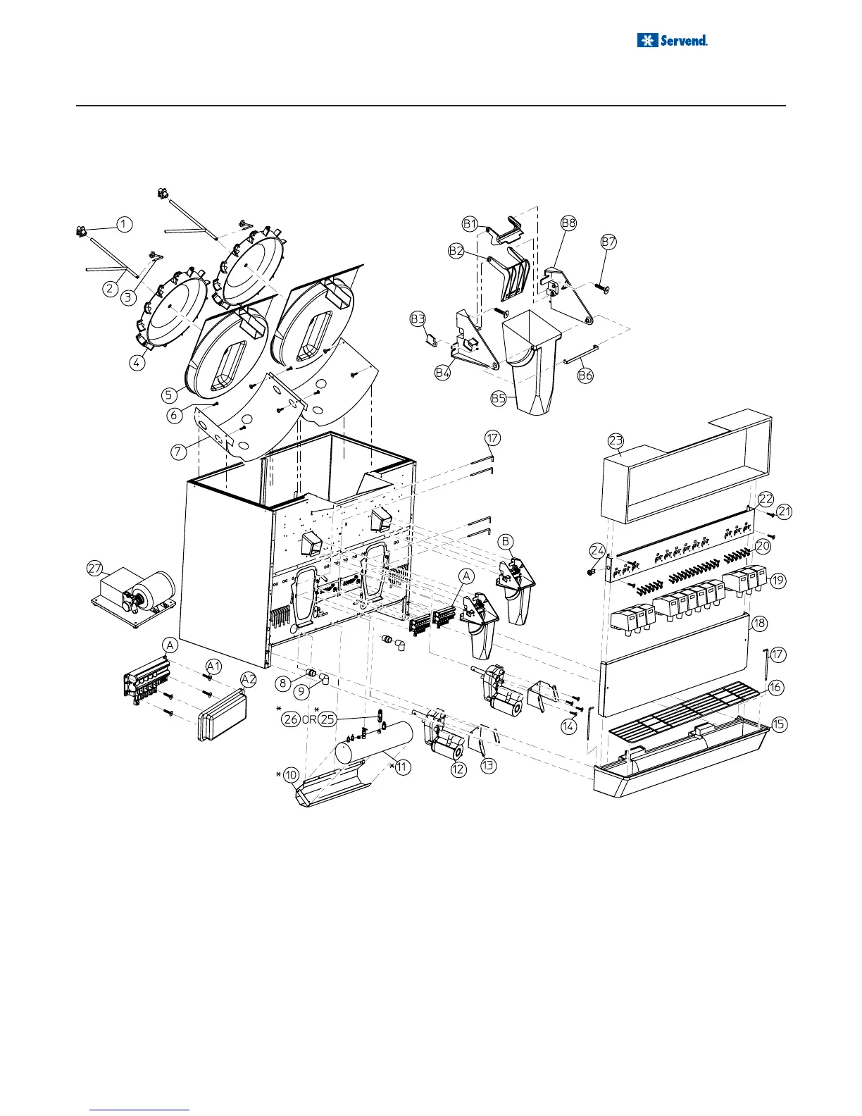
EXPLODED VIEWS, PARTS & DIAGRAMS
MDH 302/402 EXPLODED VIEW

Table of Contents

Related product manuals