EasyManua.ls Logo

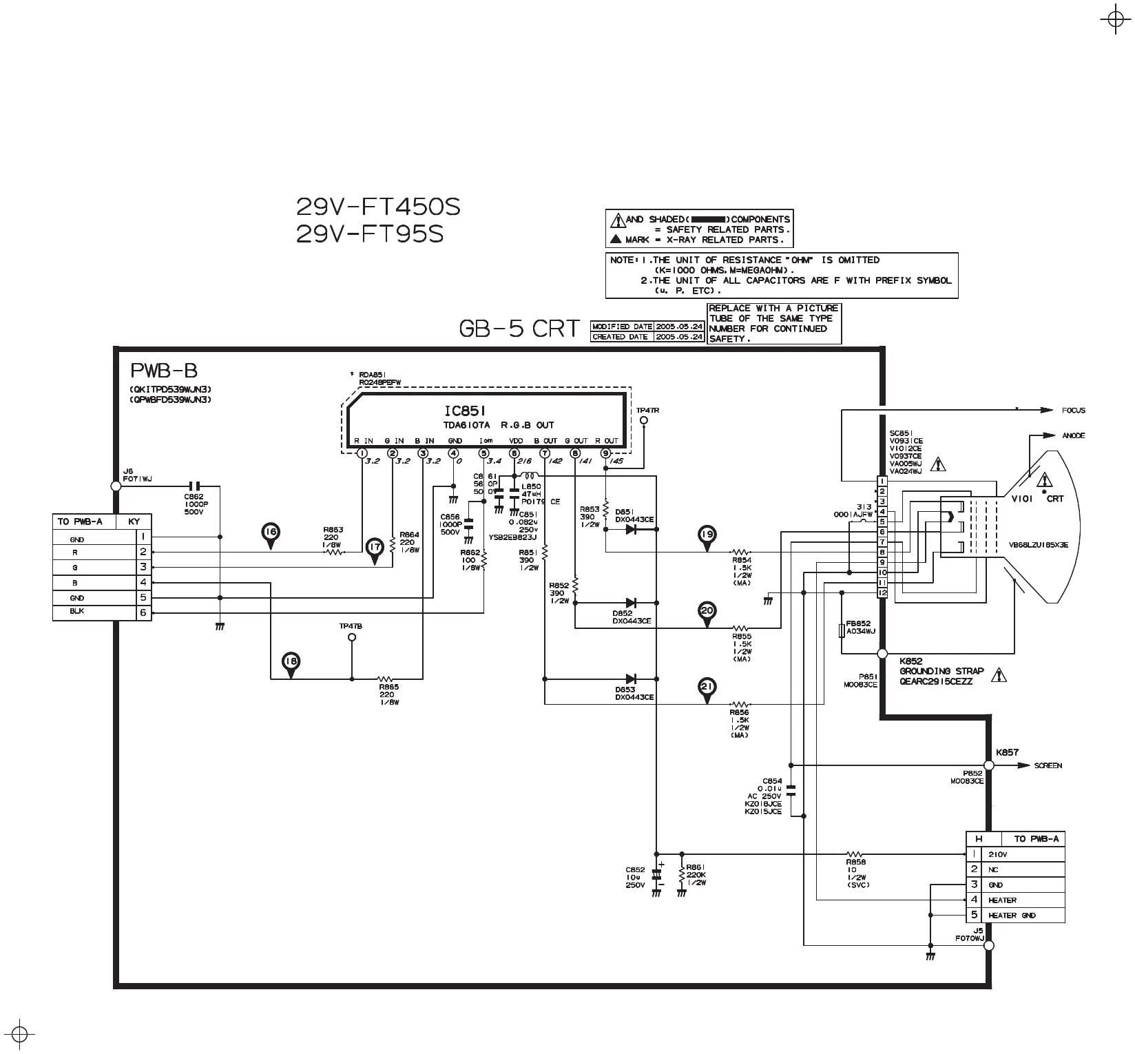
Sharp 29V-FT450S - Schematic Diagrams

Sharp 29V-FT450S
53 pages
Print Icon
To Next Page IconTo Next Page
To Next Page IconTo Next Page
To Previous Page IconTo Previous Page
To Previous Page IconTo Previous Page
Loading...
38

Related product manuals