EasyManua.ls Logo

Sharp AR-200M - Page 127

Sharp AR-200M
151 pages
Print Icon
To Next Page IconTo Next Page
To Next Page IconTo Next Page
To Previous Page IconTo Previous Page
To Previous Page IconTo Previous Page
Loading...
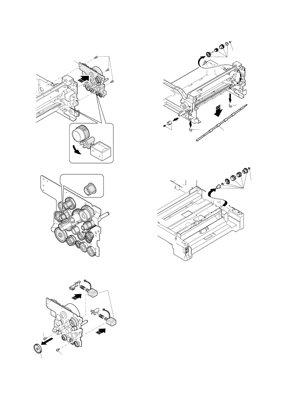
AR-M205 DISASSEMBLY AND ASSEMBLY 11-10
B.Drive unit
Assembly: Move down the clutch pawl as shown below, and avoid the
clutch and install.
C. Solenoid
(paper feed solenoid, resist roller solenoid)
D. Resist roller clutch/Resist roller
E. Paper feed clutch/Paper feed roller
(Semi-circular roller)
(1)
(2)
Grease G-484
Moricote X56020
(1)
(2)
(2)
(3)
(1)
(2)
(3)
(3)
(3)
(4)
(1)
(2)

Related product manuals