EasyManua.ls Logo

Sharp AR-M350U - Page 50

Sharp AR-M350U
270 pages
Print Icon
To Next Page IconTo Next Page
To Next Page IconTo Next Page
To Previous Page IconTo Previous Page
To Previous Page IconTo Previous Page
Loading...
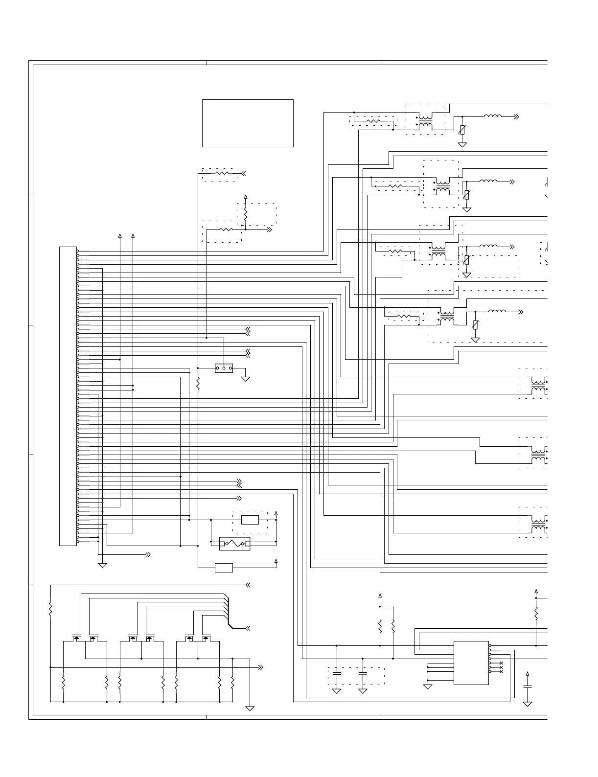
AR-M350U CIRCUIT DIAGRAM 9-32
A
A
B
B
C
C
5
4
3
2
1
SCANNER1
SCN-VCCW
H <-> L
(L5-20)
1-2pin: Pattern Short
3-4pin: Pattern Short
(L31-32, L35 -40)
1-2pin: Pattern Short
S1_DATA1-
S1_CLK+
SLP_P
SLCDD00
SM_P
S2_DATA1-
SLCDD20
LCDVR4
S2_CLK-
SM_M
SLCDD00
DSR_SCN
RXD_SCN
S1_DATA0+
DSR2
S1_CLK+
S2_DATA0-
LCDVR2
RXD2
LCDVR5
SLCDD10
LCDVR1
SCP_M
S1_DATA1+
S2_DATA1+
SLCDD11
S2_CLK-
SM_P
SFRAME_M
SLCDD21
SLCDD01
SLCDD21
S1_CLK-
S2_DATA1-
S2_CLK+
DSR_SCN
TXD2
RXD_SCN
LCDVR0
DTR_SCN
S/1_DBL-
SLP_M
S2_CLK+
TXD_SCN
TXD_SCN
SM_M
S/2_DBL-
SFRAME_P
LCDVR3
SLCDD20
DTR2
S2_DATA1+
DTR_SCN
S/1_DBL+
GND1
SCP_P
SLCDD01
S1_DATA0-
SLCDD30
S/2_DBL+
SLCDD31
S2_DATA0+
S1_CLK-
S1_DATA1-
S1_DATA1+
RES_SCN 22
SCN_SET 10
GND1 15
RES_MFP_S 22
LCD_VEE
LCD3.3 11
1_DATA1- 18
2_DATA1-
FRDY 9
2_CLK- 18
1_CLK- 1
8
FVCCW 7,9,12,15
LCD_VEE
POF 15,22
LCDVR[5:0] 11
LCDDIS 11
FLASHC 19
VCC
3.3V
+12V
3.3V
VCC
VCC
+24V
3.3V
L26
MMZ1608D121BTA00
1 2
L17
PLP3216S
NO ASM
2
3
R279
1K
R278
510
RV14
AVR-M1608C080MTAAB
NO ASM
R276
2.2K
R363220
NO ASM
Q7
UPA502T
1
45
3
2
L9
PLP3216S
NO ASM
1 2
34
Q5
UPA502T
1
45
3
2
RV2
AVR-M1608C270KT2AB
L5
PLP3216S
NO ASM
1 2
34
R275
18K
R351220
NO ASM
R274
10K
R357100
NO ASM
RV6
AVR-M1608C270KT2AB
R277
4.7K
R280
18K
L15
PLP3216S
NO ASM
2
3
RV10
AVR-M1608C080MTAAB
NO ASM
R268
1K
R425
10K
NO ASM
L38
MMZ1608D121BTA00
NO ASM
1 2
R369100
NO ASM
R424 1K
NO ASM
L7
PLP3216S
NO ASM
1 2
34
C280
22pF
NO ASM
IC38
TD62503F
1
2
3
4
5
6
7
16
15
14
13
12
11
10
8
IN1
IN2
IN3
IN4
IN5
IN6
IN7
OUT1
OUT2
OUT3
OUT4
OUT5
OUT6
OUT7
COM-E
C281
22pF
NO ASM
R199 2.2K
C186
0.1uF
L11
PLP3216S
NO ASM
1 2
34
L13
PLP3216S
NO ASM
2
3
Q2
ICP-S1.2
NO ASM
1 2
12
R200 2.2K
Q6
UPA502T
1
45
3
2
R113 0
NO ASM
L30
MMZ1608D121BTA00
1 2
R120 0
R216 10K
R217 10K
L34
MMZ1608D121BTA00
1 2
F1
T1.25A/250V
1 3
2 4
Q1
ICP-S1.2
1 2
12
CN8
8AL068S-305C3
1
2
3
4
5
6
7
8
9
10
11
12
13
14
15
16
17
18
19
20
21
22
23
24
25
26
27
28
29
30
31
32
33
34
35
36
37
38
39
40
41
42
43
44
45
46
47
48
49
50
52
53
54
55
56
57
58
59
60
61
62
63
64
51
65
66
67
68
1
2
3
4
5
6
7
8
9
10
11
12
13
14
15
16
17
18
19
20
21
22
23
24
25
26
27
28
29
30
31
32
33
34
35
36
37
38
39
40
41
42
43
44
45
46
47
48
49
50
52
53
54
55
56
57
58
59
60
61
62
63
64
51
65
66
67
68
JP3
TS3B-SQ
31
2
[SCANNER I/F]
 &%       !" #!$

Related product manuals