EasyManua.ls Logo

Sharp AR-M350U - Page 54

Sharp AR-M350U
270 pages
Print Icon
To Next Page IconTo Next Page
To Next Page IconTo Next Page
To Previous Page IconTo Previous Page
To Previous Page IconTo Previous Page
Loading...
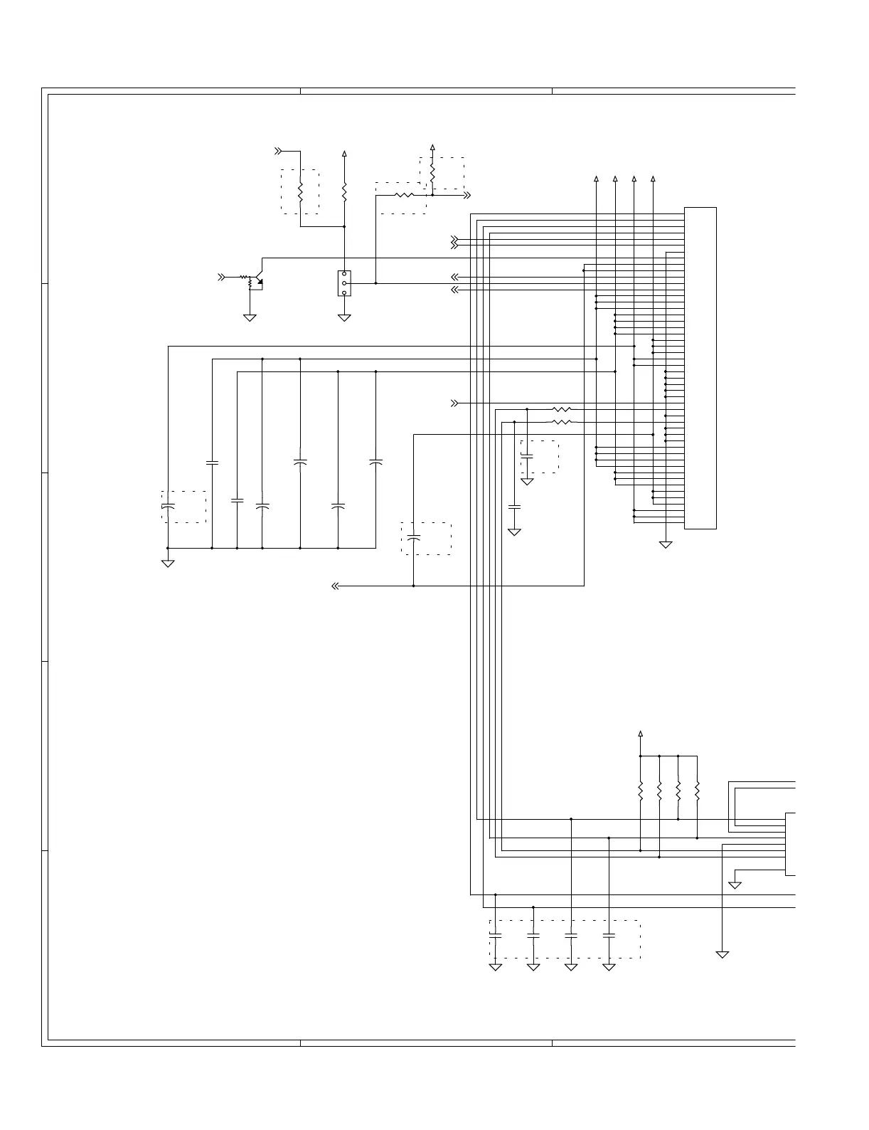
AR-M350U CIRCUIT DIAGRAM 9-36
A
A
B
B
C
C
5
4
3
2
1
PCU-VCCW
L <-> H
VIDEO119
VIDEO019
FVCCW7,9,12,13
POF13,22
MSW_MON9,10PWM10
GND113
RES_PCU22
FLASHB 19
3.3V
3.3V +12V
VCC
VCC +24V
3.3V
VCC
3.3V
+
C95
47uF/16V
Q4
DTC114YKA
1
2
3
R209 2.2K
R234 0
NO ASM
+
C180
47uF/16V
R233 0
C185
0.1uF
C282
22pF
NO ASM
+
C168
47uF/16V
C184
100pF
NO ASM
+
C167
47uF/16V
R289 33
R288 33
R212 2.2K
C285
22pF
NO ASM
C284
22pF
NO ASM
R211 2.2K
C283
22pF
NO ASM
R427
10K
NO ASM
R426 1K
NO ASM
IC
4
T
D
1
2
3
4
5
6
7
8
IN
1
IN
2
IN
3
IN
4
IN
5
IN
6
IN
7
C
O
R210 2.2K
JP7
TS3B-SQ
3 1
2
CN13
TX24-50R-LT-H1
25
24
23
22
21
20
19
18
17
16
15
14
13
12
11
10
9
8
7
6
5
4
3
2
1
50
49
48
47
46
45
44
43
42
41
40
39
38
37
36
35
34
33
32
31
30
29
28
27
26
25
24
23
22
21
20
19
18
17
16
15
14
13
12
11
10
9
8
7
6
5
4
3
2
1
50
49
48
47
46
45
44
43
42
41
40
39
38
37
36
35
34
33
32
31
30
29
28
27
26
C182
0.1uF
C172
0.1uF
+
C138
47uF/16V
NO ASM
+
C148
100uF/35V
NO ASM
[ENGINE I/F CN]
 &)       !" #!$

Related product manuals