EasyManua.ls Logo

Sharp AR-M350U - Page 66

Sharp AR-M350U
270 pages
Print Icon
To Next Page IconTo Next Page
To Next Page IconTo Next Page
To Previous Page IconTo Previous Page
To Previous Page IconTo Previous Page
Loading...
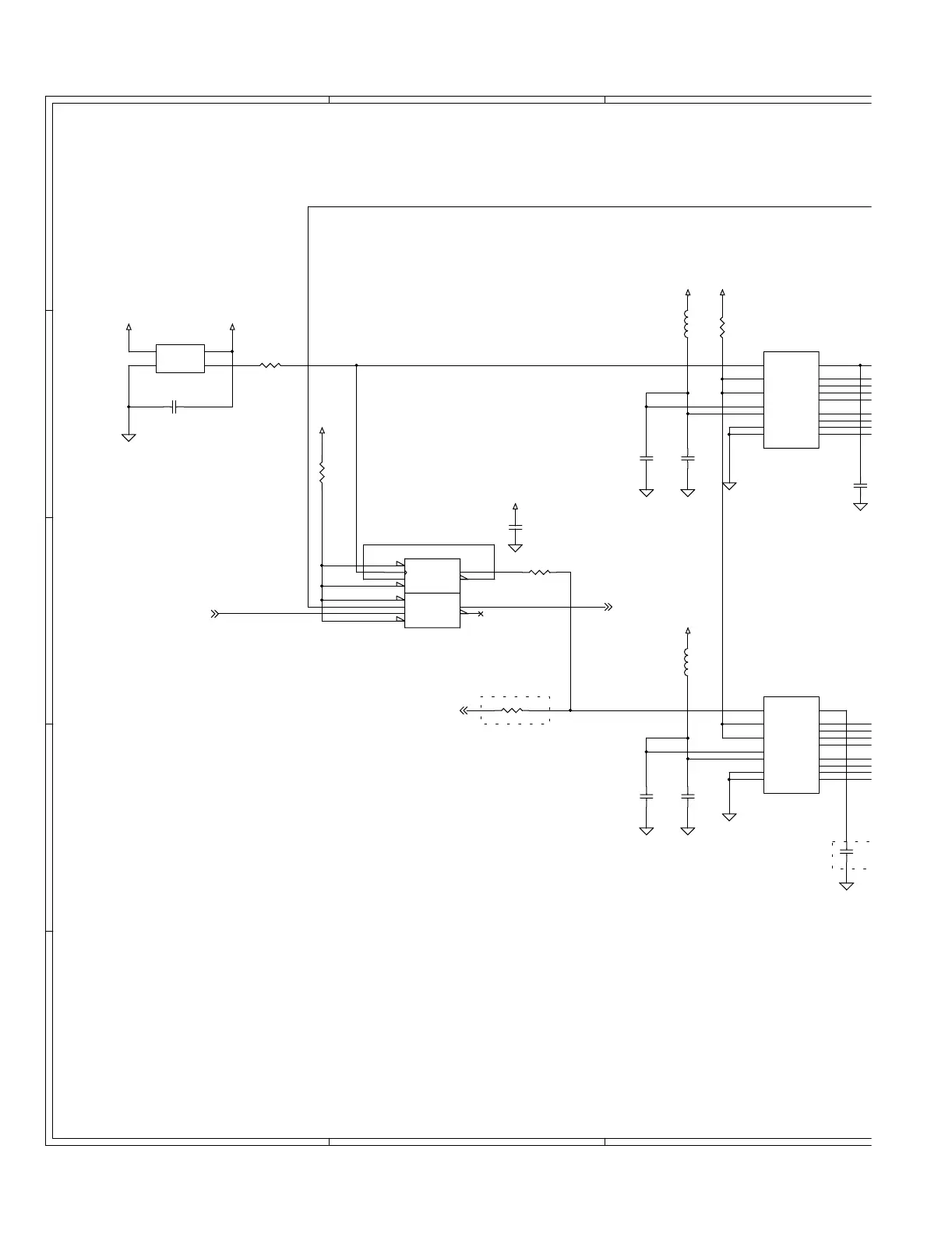
AR-M350U CIRCUIT DIAGRAM 9-48
A
A
B
B
C
C
5
4
3
2
1
33CLK
66CLK
PCLK_DR4
FWE10
FWE0 6
3.3V
3.3V
3.3V
3.3V
3.3V
3.3V
3.3V
C171
6pF
NO A
S
R70
10K
X3
SG_8002JC 66.666M
66.666MHz
1
2 3
4
OE
GND CLK
VDD
R55 47
C55
0.1uF
R172 0
NO ASM
IC9
PI6C2309-1HW
1
3
4
5
6
7
8
16
15
14
2
13
12 11
10
9
REF
CLKA2
VDD
GND
CLKB1
CLKB2
S2
CLKOUT
CLKA4
CLKA3
CLKA1
VDD
GND CLKB4
CLKB3
S1
IC29
PI6C2309-1HW
1
3
4
5
6
7
8
16
15
14
2
13
12 11
10
9
REF
CLKA2
VDD
GND
CLKB1
CLKB2
S2
CLKOUT
CLKA4
CLKA3
CLKA1
VDD
GND CLKB4
CLKB3
S1
C56
0.1uF
C61
2
2
C279
0.1uF
L2
BLM10B121SBPTM
1 2
C278
0.1uF
R53 47
C153
0.1uF
S
C1
1D
R
IC10
74LCX74MTC
4
3
2
1
10
11
12
13
5
6
9
8
R71
4.7K
L3
BLM10B121SBPTM
1 2
C45
0.1uF
[CLOCK]
 '+       !" #!$

Related product manuals