EasyManua.ls Logo

Sharp AR-M550U - Page 11

Sharp AR-M550U
198 pages
Print Icon
To Next Page IconTo Next Page
To Next Page IconTo Next Page
To Previous Page IconTo Previous Page
To Previous Page IconTo Previous Page
Loading...
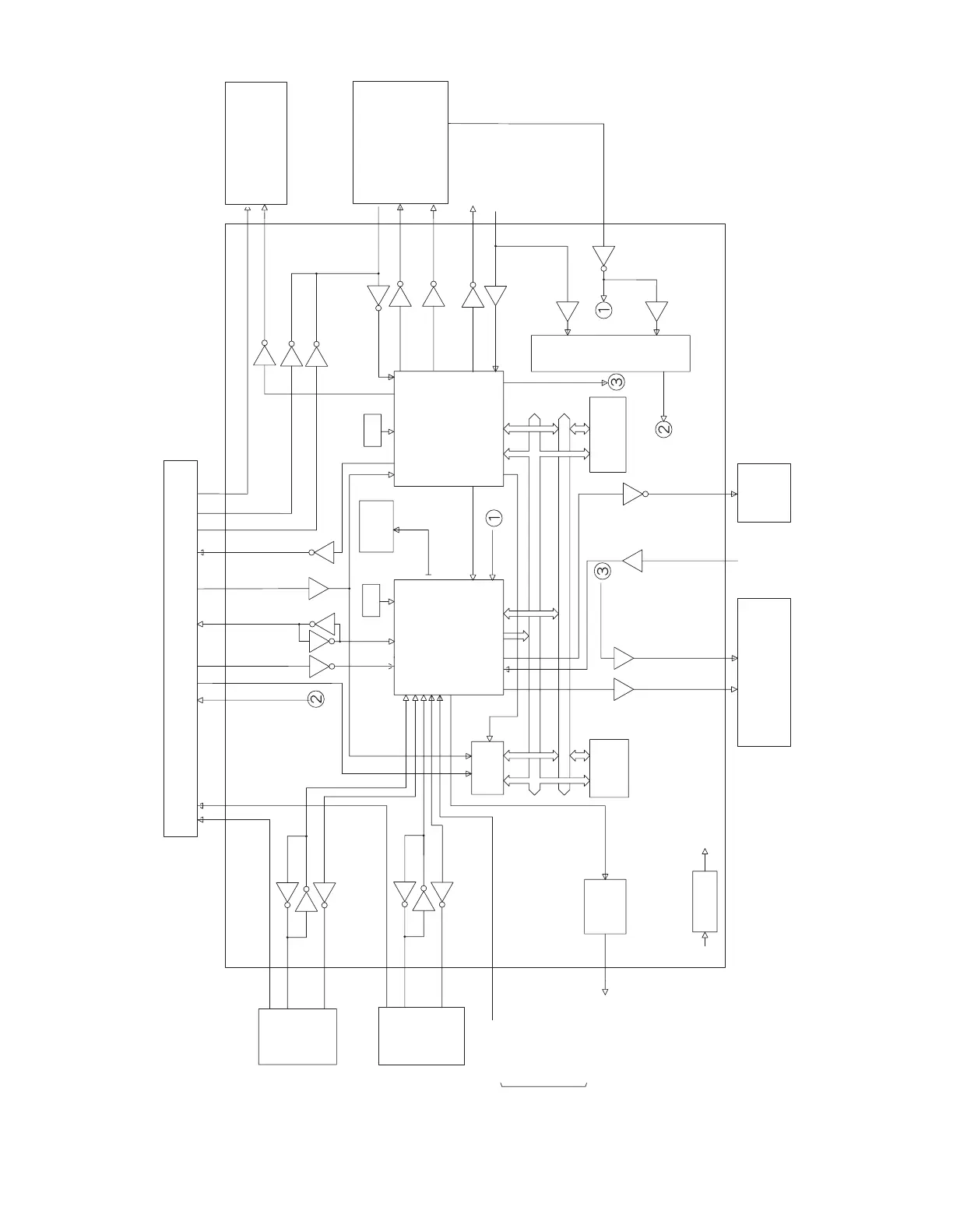
AR-555/550/620/625 BLOCK DIAGRAM / ブロック図 2 - 7
5. SCANNER CONTROL PWB / スキャナコントロール PWB
Buffer
UART
POF_SCN
/RES_SCN
/RES_SCNin
/RES_SCNin
ADDRESS(A0 A20)
DATA(D0 D15)
Mirror motor
control signal
RES_CPU
DATA,
CLOCK
Mirror motor
SLEEP
FRDY
RES_MFP
UART
UART
Analog power
(Vref)
+12V2
Flash ROM write control (FWP)
Flash ROM write voltage (VCCW)
Stepping motor
control signal
CCFT
SEG
/F
Sensor input
Analog input
Document detection
light reception
Touch panel X
Touch panel Y
SPF document width
detection
LCD backlight TH
/ORSLED
/CL,FAN
RES_CCD1
IMAGE DATA CCD (LVDS)
LCD DATA (LVDS)
IMAGE DATA CIS (LVDS)
UART
RES_CCD2
LED lighting
circuit
Clutch solenoid
Clutch solenoid
KEYIN
Clutch solenoid
WAKEUP
WAKEUP
Sensor input
STAMP
KEYIN
SPED2,OCSW
I/O
XTAL
ROM
FLASH
CPU
S-RAM
EEPROM
64Kbit
DRIVE
CIRCUIT
XTAL
EEPROM
4Kbit
OP-AMP
G/A
CCD
CIScnt
SCNcnt
PWB
SPF
MFP OPE
LVDS/INVERTER
CONTROLLER
STMP

Other manuals for Sharp AR-M550U

Related product manuals