EasyManua.ls Logo

Sharp AR-M550U - Page 119

Sharp AR-M550U
198 pages
Print Icon
To Next Page IconTo Next Page
To Next Page IconTo Next Page
To Previous Page IconTo Previous Page
To Previous Page IconTo Previous Page
Loading...
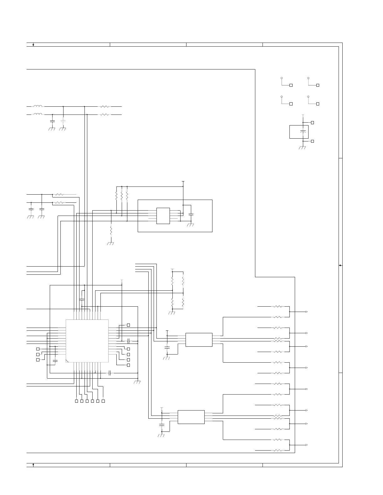
AR-555/550/620/625 MOTHER PWB / マザー PWB 4 - 96
TP3
IC4
EPM3064A
TDI
1
NC4
2
NC5
3
GND
4
NC6
5
NC7
6
TMS
7
NC8
8
VCC
9
NC9
10
GND
11
NC10
12
NC11
13
NC12
14
NC13
15
GND
16
VCC
17
NC14
18
SD0O
19
SD1O
20
XDBLO
21
SCO
22
SW1
23
GND
24
SW0
25
TCK
26
PLLEN
27
XDBL_AREA
28
VCC
29
GND
30
SD0I
31
TDO
32
SD1I
33
SD2I
34
SD3I
35
GND
36
SCANCLK
37
OE
38
XIRST
39
SCLK
40
VCC
41
NC1
42
NC2
43
NC3
44
C10
0.1uF
TP4
TP7
C12
0.1uF
R57
0*
R67 0
FL13
MMZ1608S121AT
TP1
R72 0
C16 0.1uF
R68 0
TP2
IC7
PI90LV027A
VCC
1
DIN1
2
DIN2
3
GND
4
DOUT2-
5
DOUT2+
6
DOUT1+
7
DOUT1-
8
R69 0
C19
100pF
R73 0
TP5
R70 0
C18
22u/6.3V
C20
100pF
R74 0
FL14
MMZ1608S121AT
R56 0*
R63 0*
C11
0.1uF
R51 0*
R64 0*
8
S121AT
C21
100pF
C15 0.1uF
IC6
PI90LV027A
VCC
1
DIN1
2
DIN2
3
GND
4
DOUT2-
5
DOUT2+
6
DOUT1+
7
DOUT1-
8
R71 0
8
S121AT
C22
100pF
R55 0*
TP9
R58
0*
TP11
TP13
TP14
TP6
R45 0*
TP8
C17
0.1uF
R65 0*
R44 0*
TP10
R1 1K
R66 0*
TP12
R4 1K
TP20
R2 1K
CN2
FAP-10-08#2
P1
1
P2
2
P3
3
P4
4
P5
5
P6
6
P7
7
P8
8
P9
9
P10
10
R50 0*
TP15
R48 0*
TP16
R52
0*
TP17
R53
0*
R49 0*
TP18
TP19
C1
0.1uF
R3 1K
SD0O
SD1O
1_DBL-
1_CLK+
1_CLK-
1_DATA1+
1_DATA0-
1_DATA0+
1_DATA1-
SCO
XDBLO
TDO
SD1O
SCO
SD0O
TDI
XDBLO
TMS
TCK
1_DBL+
+12V1
+5V1
HDD-VCC
+5VS
+3.3V
+3.3V
+3.3V
+3.3V
+3.3V
+3.3V
1_DATA1+ (2)
1_DBL+ (2)
1_CLK+ (2)
1_DATA1- (2)
1_DATA0- (2)
1_DATA0+ (2)
1_DBL- (2)
1_CLK- (2)
(No ASM)
(No ASM)
(No ASM)
4
4
3
3
2
2
1
1
D
C
B
A
1/2

Other manuals for Sharp AR-M550U

Related product manuals